NTN KRV13XH軸承技術規格
| 類型 | 凸輪從動軸承 |
| 材質 | 淬透鋼 |
| 螺紋類型 | 公制 |
| 保持架材質 | 無 |
| 極限轉速-油潤滑 | 22000轉/分鐘 |
| 極限轉速-脂潤滑 | 17000轉/分鐘 |
| 滾子型式 | 圓柱型 |
| 螺柱類型 | 公制 |
| 軸承類型 | 滾針軸承 |
| 外圈類型 | 圓柱型 |
| 附件 | 開式 |
| 驅動裝置型式 | 六角頭 |
| 結構 | 單列 |
| 扭矩 | 2 N ·m |
| 基本額定靜載荷 | 1200 lbf 5350 N |
| 基本額定動載荷 | 1010 lbf 4500 N |
| 軌道額定載荷 | 500 lbf 2220 N |
| 重量 | 0.024 lb 0.011 kg |
| 應用溫度范圍 | -40 to 250 oF -40 to 120 oC |
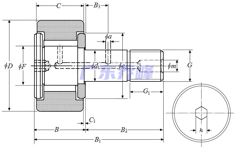
NTN KRV13XH軸承尺寸規格
| 凸輪從動螺柱式滾輪軸承 - 圓柱內徑,KRV..H型 - 尺寸 | |
| G | M5x0.8 |
| B1 | 0.9055 in 23.000 mm |
| B2 | 0.5118 in 13.000 mm |
| D | 0.5118 in 13.000 mm |
| D公差 | 0/-0.0020 in 0/-0.050 mm |
| B | 0.3937 in 10.000 mm |
| C | 0.3543 in 9.000 mm |
| d1 | 0.1969 in 5.000 mm |
| d1公差 | 0/-0.0005 in 0/-0.012 mm |
| G1 | 0.2953 in 7.500 mm |
| e | 0.3740 in 9.500 mm |
| F | 0.2264 in 5.750 mm |
| C1 | 0.0197 in 0.500 mm |
| h | 0.1181 in 3.000 mm |
NTN KRV13XH軸承尺寸圖
NTN軸承推薦
| NTN 6807JRZZNC3軸承 | 描述:軸承型號:6807ZZNC3,單列深溝球軸承 - 雙面防塵蓋,帶止動環槽 |
| NTN 6009ZZNC3軸承 | 描述:軸承型號:6009ZZNC3,單列深溝球軸承 - 雙面防塵蓋,帶止動環槽 |
| NTN 6912ZNR軸承 | 描述:軸承型號:6912ZNR,單列深溝球軸承 - 單面防塵蓋帶止動環 |
| NTN ML7002HVDUJ84S軸承 | 描述:軸承型號:ML7002HVDUJ84S,高速雙聯角接觸球軸承,高精度 - 萬能平頂軸承 |
| NTN ML71910HV軸承 | 描述:軸承型號:ML71910HV,高速單列角接觸球軸承 - 高精度 |
| NTN 7217BL1G軸承 | 描述:軸承型號:7217BL1G,單列角接觸球軸承 - 開式 |
| NTN 7903T2G/GMP4軸承 | 描述:軸承型號:7903T2G/GMP4,單列角接觸球軸承 - 開式 |
| NTN 7022CDB/GNP5軸承 | 描述:軸承型號:7022CDB/GNP5,雙聯角接觸球軸承 - 背對背配對 |
| NTN 78250C/78537軸承 | 描述:軸承型號:78250C/78537,圓錐滾子軸承 - 英制系列和J系列 |
| NTN NUP2332E軸承 | 描述:軸承型號:NUP2332E,圓柱滾子軸承 -可分離型,短內圈帶一個加強筋,帶側板,外圈帶兩個加強筋 |
進口軸承推薦
| NSK 6202DU CM軸承 | 描述:0.043 kg,單列深溝球軸承 |
| FAG 230/530B.MB.C3軸承 | 描述:314 kg,調心滾子軸承 |
| FAG 23284-E1A-MB1-C3軸承 | 描述:492 kg,調心滾子軸承(X-life品質) |
| KOYO 6209C4軸承 | 描述:0.404 kg,單列深溝球軸承 |
| KOYO 6908-8 2RS C3軸承 | 描述:0.115 kg,單列深溝球軸承 |
MCGILL軸承推薦
| MCGILL ROLLWAY-N313EMC3軸承 | 基本尺寸,內徑:65.00000mm,外徑:140.00000mm,厚度:33.00000mm。 |
| MCGILL MR20SS+MI16軸承 | 基本尺寸,內徑:1.25000mm,外徑:1.75000mm,厚度:1.25000mm。 |
| MCGILL CCF5/8NSB軸承 | 基本尺寸,內徑:0.00000mm,外徑:15.88000mm,厚度:11.11000mm。 |
| MCGILL BCCF1-5/8SB軸承 | 基本尺寸,內徑:0.00000mm,外徑:41.28000mm,厚度:22.23000mm。 |
| MCGILL MCF32SB軸承 | 基本尺寸,內徑:0.00000mm,外徑:32.00000mm,厚度:14.00000mm。 |

