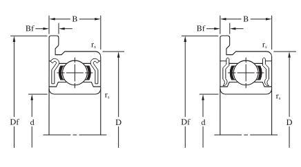
EZO F6905ZZ軸承尺寸、參數與圖紙
| 基本尺寸 (mm) | |
| 軸承內徑 d | 25 |
| 軸承外徑 D | 42 |
| 法蘭外徑 Df | 45 |
| 倒角半徑 rs(min) | 0.3 |
| 開式軸承厚度 B | 9 |
| 開式軸承法蘭厚度 Bf | 2 |
| 重量(g) | |
| 密封型 | 47 |
| 密封型帶法蘭 | 50.2 |
| 載荷(N) | |
| 基本動載荷 | 7001 |
| 基本靜載荷 | 4540 |
| 極限轉速(rpm) | |
| 脂潤滑 | 16000 |
| 油潤滑 | 19000 |
| 滾珠參數 | |
| 數量 Z | 13 |
| 尺寸 Dw | 4.762 |
微型軸承推薦
| NSK 606VVMC3 EPS2S軸承 | 基本尺寸,內徑:6.00000mm,外徑:17.00000mm,厚度:6.00000mm。 |
| NSK F623ZZMC3 NS7S5軸承 | 基本尺寸,內徑:3.00000mm,外徑:10.00000mm,厚度:4.00000mm。 |
| EZO F6-12軸承 | 基本尺寸,內徑:6.00000mm,外徑:12.00000mm,厚度:4.50000mm。 |
| NMB DDRF-1960ZZRP0P25LY121軸承 | 基本尺寸,內徑:6.00000mm,外徑:19.00000mm,厚度:6.00000mm。 |
| NMB 627MNSSM3MTLY121 OTE158T軸承 | 基本尺寸,內徑:7.00000mm,外徑:22.00000mm,厚度:7.00000mm。 |
FAG軸承推薦
| FAG 6318-J20AA-C3軸承 | FAG 6318-J20AA-C3軸承,市場價:¥3097.50元,當前庫存10套,添加時間:2023-08-17 16:06:46 |
| FAG 32914軸承 | FAG 32914軸承,市場價:¥187.17元,當前庫存10套,添加時間:2023-08-19 21:12:46 |
| FAG 23036-E1A-XL-M-T52BW軸承 | FAG 23036-E1A-XL-M-T52BW軸承,市場價:¥6170.43元,當前庫存2套,添加時間:2023-08-20 14:05:00 |
| FAG 23044-BE-XL-C2軸承 | FAG 23044-BE-XL-C2軸承,市場價:¥9649.85元,當前庫存6套,添加時間:2023-08-20 14:26:55 |
| FAG 54210軸承 | FAG 54210軸承,市場價:¥965.03元,當前庫存2套,添加時間:2023-08-18 15:03:35 |
IKO軸承推薦
| IKO RNAFW152320軸承 | 基本尺寸,內徑:15.00000mm,外徑:23.00000mm,厚度:20.00000mm。 |
| IKO TAF354520軸承 | 基本尺寸,內徑:35.00000mm,外徑:45.00000mm,厚度:20.00000mm。 |
| IKO CF16FBR軸承 | 基本尺寸,內徑:16.00000mm,外徑:35.00000mm,厚度:18.00000mm。 |
| IKO TRI558138軸承 | 基本尺寸,內徑:55.00000mm,外徑:81.00000mm,厚度:38.00000mm。 |
| IKO BA248ZOH軸承 | 基本尺寸,內徑:38.10000mm,外徑:47.62500mm,厚度:12.70000mm。 |

