NMB DDRF-1960ZZRP0P25LY121軸承尺寸、參數與圖紙
| 基本尺寸 (mm) | |
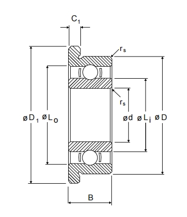
| 軸承內徑 d | 6 |
| 軸承外徑 D | 19 |
| 開式軸承厚度 B | 6 |
| 密封型軸承厚度 B | 6 |
| 倒角半徑 rs(min) | 0.3 |
| 基本尺寸 (in) | |
| 軸承內徑 d | 0.2362 |
| 軸承外徑 D | 0.748 |
| 開式軸承厚度 B | 0.2362 |
| 密封型軸承厚度 B | 0.2362 |
| 倒角半徑 rs(min) | 0.012 |
| 安裝尺寸 (mm) | |
| 開式軸承法蘭外徑 D1 | 22 |
| 開式軸承法蘭厚度 C1 | 1.5 |
| 密封式軸承法蘭外徑 D1 | 22 |
| 密封式軸承法蘭厚度 C1 | 1.5 |
| 開式軸承外圈內徑 Lo | 16.26 |
| 開式軸承內圈外徑 Li | 8.67 |
| 密封式軸承外圈內徑 Lo | 16.26 |
| 密封式軸承內圈外徑 Li | 8.67 |
| 載荷(N) | |
| 基本動載荷 | 2805 |
| 基本靜載荷 | 1060 |
| 滾珠參數 | |
| 數量 Z | 6 |
| 直徑(mm) Dw | 3.9688 |
| 其他參數 | |
| ISO/JIS 標準代號 | F626 |
微型軸承推薦
| NMB DDRI-518ZZRA1P25LY121軸承 | 基本尺寸,內徑:3.17500mm,外徑:7.93800mm,厚度:2.77900mm。 |
| NSK F683AZZMC3 PS2S6軸承 | 基本尺寸,內徑:3.00000mm,外徑:7.00000mm,厚度:2.00000mm。 |
| NSK 607T1XZZ1MC3E J NS7L5軸承 | 基本尺寸,內徑:7.00000mm,外徑:19.00000mm,厚度:6.00000mm。 |
| EZO F605H.ZZ SRL軸承 | 基本尺寸,內徑:5.00000mm,外徑:14.00000mm,厚度:5.00000mm。 |
| NSK 628ZZMC3E PS2S6軸承 | 基本尺寸,內徑:8.00000mm,外徑:24.00000mm,厚度:8.00000mm。 |
FAG軸承推薦
| FAG 234440-M-SP軸承 | FAG 234440-M-SP軸承,市場價:¥23533.93元,當前庫存36套,添加時間:2023-08-22 12:17:35 |
| FAG 1321-M軸承 | FAG 1321-M軸承,市場價:¥0.00元,當前庫存0套,添加時間:2024-01-23 15:51:54 |
| FAG B7012-C-T-P4S-UL軸承 | FAG B7012-C-T-P4S-UL軸承,市場價:¥556.35元,當前庫存12套,添加時間:2023-08-21 13:27:50 |
| FAG QJ217-XL-N2-MPA-T42F軸承 | FAG QJ217-XL-N2-MPA-T42F軸承,市場價:¥2647.71元,當前庫存4套,添加時間:2023-08-18 11:32:39 |
| FAG 53314軸承 | FAG 53314軸承,市場價:¥346.56元,當前庫存9套,添加時間:2023-08-18 15:28:03 |
IKO軸承推薦
| IKO TAFI304530軸承 | 基本尺寸,內徑:30.00000mm,外徑:45.00000mm,厚度:30.00000mm。 |
| IKO BA186ZOH軸承 | 基本尺寸,內徑:28.57500mm,外徑:34.92500mm,厚度:9.52000mm。 |
| IKO CR10VBUU軸承 | 基本尺寸,內徑:6.35000mm,外徑:15.87500mm,厚度:10.31900mm。 |
| IKO CR26VB軸承 | 基本尺寸,內徑:15.87500mm,外徑:41.27500mm,厚度:22.22500mm。 |
| IKO RNA4828軸承 | 基本尺寸,內徑:155.00000mm,外徑:175.00000mm,厚度:35.00000mm。 |

