NTN UKFL212D1 (when used with HS2312)軸承技術規格
| 類型 | 雙螺栓菱形法蘭式軸承座單元 |
| 軸承類型 | 滾珠軸承 |
| 鎖緊裝置 | 緊定襯套 |
| 密封型式 | 接觸式 |
| 密封圈材質 | 丁腈橡膠 |
| 軸承型號 | UK212D1 |
| 軸承座型號 | FL212D1 |
| 殼體材質 | 鑄鐵 |
| 殼體鑄造型式 | 一體成型 |
| 端蓋類型 | 開式 |
| 性能 | 輕型 |
| 基本額定動載荷 | 11800 lbf 52500 N 52.50 kN |
| 基本額定靜載荷 | 8100 lbf 36000 N 36.00 kN |
| 重量 | 8.600 lb 3.900 kg |
| 應用溫度范圍 | -40 to 250 oF -40 to 120 oC |
| 潤滑方式 | 可再潤滑 |
NTN UKFL212D1 (when used with HS2312)軸承尺寸規格
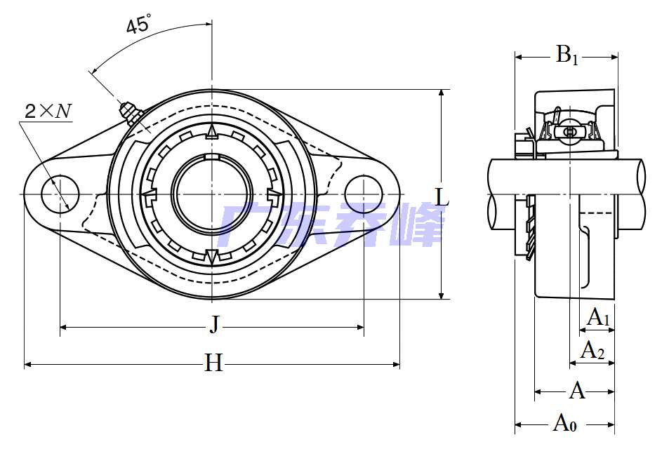
| 雙螺栓菱形法蘭式軸承座單元,鑄造外殼,帶緊定襯套,UKFL型 - 尺寸 | |
| d | 2.1250 in 53.975 mm |
| H | 9.8437 in 250.0 mm |
| L | 5.5000 in 140.0 mm |
| J | 7.9531 in 202.0 mm |
| A | 1.8750 in 48.0 mm |
| A0 | 2.4062 in 61.000 mm |
| A1 | 0.7187 in 18.0 mm |
| A2 | 1.1406 in 29.0 mm |
| N | 0.9062 in 23.0 mm |
| B1 | 2.4410 in 62.000 mm |
| F | 0.2441 in 6.200 mm |
| 注意 | 銷售圖紙反映的是不帶緊定襯套的尺寸,實際上是帶的,因此需要注意。如不能很好把握,可直接致電020-81178086咨詢我們。 |
NTN UKFL212D1 (when used with HS2312)軸承尺寸圖
NTN UKFL212D1 (when used with HS2312)軸承同尺寸型號
| S-UKFL212D1 (when used with HS2312) | 詳細尺寸,d:53.975mm,h:250.00000mm,b:48.000mm,j:202.000mm,r:140.000mm |
| UKFL212D1 (when used with HS2312) | 詳細尺寸,d:53.975mm,h:250.00000mm,b:48.000mm,j:202.000mm,r:140.000mm |
| SM-UKFL212D1 (when used with HS2312) | 詳細尺寸,d:53.975mm,h:250.00000mm,b:48.000mm,j:202.000mm,r:140.000mm |
| 共計找到3條記錄 | |
NTN UKFL212D1 (when used with HS2312)軸承相關配件/適用型號
| UK212D1 | 詳細尺寸,d:60.000mm,dD:110.000mm,c:27.000mm,b:38.000mm |
NTN軸承推薦
| NTN BL208ZZNR軸承 | 描述:軸承型號:BL208ZZNR,單列深溝球軸承 - 雙面防塵蓋帶止動環,BL系列2 |
| NTN 87009C3軸承 | 描述:軸承型號:87009C3,單列深溝球軸承 - 單面防塵蓋&單面密封(接觸式橡膠密封),87000系列 |
| NTN 7205HG1DUJ84軸承 | 描述:軸承型號:7205HG1DUJ84,雙聯角接觸球軸承,高精度 - 萬能平頂軸承 |
| NTN UK320D1軸承 | 描述:軸承型號:UK320D1,帶緊定襯套外球面軸承 |
| NTN UC205-100D1LLJ軸承 | 描述:軸承型號:UC205-100D1LLJ,帶緊定螺釘的外球面軸承,寬外圈 - 球面外圈 |
| NTN UCS311D1軸承 | 描述:軸承型號:UCS311D1,帶緊定螺釘的外球面軸承,寬外圈 - 圓柱內徑 |
| NTN 2788/2729軸承 | 描述:軸承型號:2788/2729,圓錐滾子軸承 - 英制系列和J系列 |
| NTN 479/472A軸承 | 描述:軸承型號:479/472A,圓錐滾子軸承 - 英制系列和J系列 |
| NTN LM104912軸承 | 描述:軸承型號:LM104912,圓錐滾子軸承外圈 - 英制系列和J系列 |
| NTN M7309EX軸承 | 描述:軸承型號:M7309EX,帶保持架和滾子的外圈,兩個加強筋 |
進口軸承推薦
| FAG 22334S.MB軸承 | 描述:59.5 kg,調心滾子軸承 |
| FAG 23126E1AK.M軸承 | 描述:8.4 kg,調心滾子軸承(X-life品質) |
| NTN 6036LLU/2AS軸承 | 描述:10 kg,單列深溝球軸承 |
| FAG 24130-BE-K30軸承 | 描述:19.2 kg,調心滾子軸承 |
| NSK 618/6CM軸承 | 描述:0.0018 kg,單列深溝球軸承 |
MCGILL軸承推薦
| MCGILL BCFE1-1/8SB軸承 | 基本尺寸,內徑:0.00000mm,外徑:28.58000mm,厚度:15.88000mm。 |
| MCGILL MCFR22SB軸承 | 基本尺寸,內徑:0.00000mm,外徑:22.00000mm,厚度:12.00000mm。 |
| MCGILL MCYRR50S軸承 | 基本尺寸,內徑:50.00000mm,外徑:90.00000mm,厚度:35.00000mm。 |
| MCGILL MCYR10SX軸承 | 基本尺寸,內徑:10.00000mm,外徑:30.00000mm,厚度:14.00000mm。 |
| MCGILL CYR5-S軸承 | 基本尺寸,內徑:44.45000mm,外徑:127.00000mm,厚度:2.75000mm。 |

