NTN UCFU-2軸承技術規格
| 類型 | 四螺栓方形法蘭式軸承座 |
| 軸承類型 | 滾珠軸承 |
| 鎖緊裝置 | 緊定螺釘 |
| 密封型式 | 接觸式 |
| 密封圈材質 | 丁腈橡膠 |
| 軸承型號 | A-UC211-200D1 |
| 軸承座型號 | FU211D1V50 |
| 殼體材質 | 鑄鐵 |
| 殼體鑄造型式 | 一體成型 |
| 端蓋類型 | 開式 |
| 表面涂層 | 黑色氧化物 |
| 性能 | 輕型 |
| 基本額定動載荷 | 9800 lbf 43500 N 43.50 kN |
| 基本額定靜載荷 | 6550 lbf 29200 N 29.20 kN |
| 最大擰緊力矩 | 86磅·英寸 |
| 極限轉速 | 2900轉/分鐘 |
| 重量 | 8.378 lb 3.800 kg |
| 應用溫度范圍 | -40 to 250 oF -40 to 120 oC |
| 潤滑方式 | 可再潤滑 |
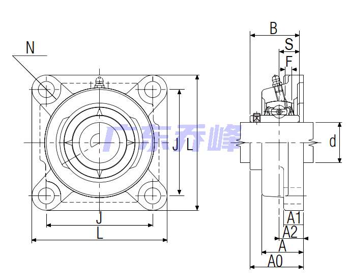
NTN UCFU-2軸承尺寸規格
| 超一流四螺栓法蘭式軸承座帶緊定螺釘,UCFU型 - 尺寸 | |
| d | 2 in 50.800 mm |
| L | 6.4063 in 162.7 mm |
| J | 5.1250 in 130.2 mm |
| A | 1.9375 in 49.2 mm |
| A0 | 2.5313 in 64.300 mm |
| A1 | 0.8125 in 20.6 mm |
| A2 | 1.2188 in 31.0 mm |
| N | 0.6719 in 17.1 mm |
| B | 2.1890 in 55.600 mm |
| S | 0.8740 in 22.200 mm |
| F | 0.2362 in 6.000 mm |
NTN UCFU-2軸承尺寸圖
NTN UCFU-2軸承同尺寸型號
| JELFU-2 | 詳細尺寸,d:50.800mm,c:20.600mm,b:49.200mm,j:130.200mm,r:162.700mm |
| UCFUX-2 | 詳細尺寸,d:50.800mm,c:20.600mm,b:49.200mm,j:130.200mm,r:162.700mm |
| UELFU-2 | 詳細尺寸,d:50.800mm,c:20.600mm,b:49.200mm,j:130.200mm,r:162.700mm |
| UCFU-2 | 詳細尺寸,d:50.800mm,c:20.600mm,b:49.200mm,j:130.200mm,r:162.700mm |
| 共計找到4條記錄 | |
NTN UCFU-2軸承相關配件/適用型號
| A-UC211-200D1 | 詳細尺寸,d:50.800mm,dD:100.000mm,c:25.000mm,b:55.600mm,r:2.000mm |
NTN軸承推薦
| NTN 6205LLBC3/EM軸承 | 描述:軸承型號:6205LLBC3/EM,單列深溝球軸承 - 雙面密封(非接觸式橡膠密封) |
| NTN 6205HT200軸承 | 描述:軸承型號:6205HT200,單列深溝球軸承,Topline系列 - 雙面密封 (接觸式氟橡膠密封) |
| NTN 7212BG軸承 | 描述:軸承型號:7212BG,單列角接觸球軸承 - 開式 |
| NTN 31597軸承 | 描述:軸承型號:31597,圓錐滾子軸承內圈 - 英制系列和J系列 |
| NTN 32924UP5軸承 | 描述:軸承型號:32924P5,圓錐滾子軸承 - 公制系列 |
| NTN N1018CS25P4軸承 | 描述:軸承型號:N1018CS25P4,圓柱滾子軸承 -內圈帶兩個加強筋,可分離型,普通外圈 - N型 |
| NTN MA5214EL軸承 | 描述:軸承型號:MA5214EL,圓柱滾子軸承 -可分離型,普通內圈,外圈帶兩個加強筋 |
| NTN NA5928軸承 | 描述:軸承型號:NA5928,機加工滾針軸承帶內圈 - NA49.R,NA59,NA69R,NK.R+1R系列 |
| NTN AS1112軸承 | 描述:軸承型號:AS1112,AS墊圈 |
| NTN UCPX20-314D1軸承 | 描述:軸承型號:UCPX20-314D1,軸承座,鑄造外殼,帶緊定螺釘,UCP/UCPX型 |
進口軸承推薦
| INA 61905-2RSR-HLU軸承 | 描述:0.0433 kg,單列深溝球軸承 |
| FAG 24156B.C4軸承 | 描述:118 kg,調心滾子軸承 |
| FAG 23064-BEA-XL-K-MB1-T52BW軸承 | 描述:77.8 kg,調心滾子軸承(X-life品質) |
| NACHI 6304 2NSE軸承 | 描述:0.143 kg,單列深溝球軸承 |
| MRC 205SFFCG軸承 | 描述:0.178 kg,單列深溝球軸承 |
MCGILL軸承推薦
| MCGILL ROLLWAY-NJ217EM軸承 | 基本尺寸,內徑:85.00000mm,外徑:150.00000mm,厚度:28.00000mm。 |
| MCGILL CYR2-S軸承 | 基本尺寸,內徑:15.88000mm,外徑:50.80000mm,厚度:31.75000mm。 |
| MCGILL CCFE2SB軸承 | 基本尺寸,內徑:0.00000mm,外徑:50.80000mm,厚度:31.75000mm。 |
| MCGILL SB22212W33SS軸承 | 基本尺寸,內徑:60.00000mm,外徑:110.00000mm,厚度:28.00000mm。 |
| MCGILL PCF4軸承 | 基本尺寸,內徑:0.00000mm,外徑:4.00000mm,厚度:2.00000mm。 |

