NTN SM-UCT211-201D1軸承技術規格
| 類型 | 滑塊式軸承座 |
| 軸承類型 | 滾珠軸承 |
| 鎖緊裝置 | 緊定螺釘 |
| 密封型式 | 接觸式 |
| 密封圈材質 | 丁腈橡膠 |
| 軸承型號 | UC211-201D1 |
| 軸承座型號 | T211D1 |
| 殼體材質 | 鑄鐵 |
| 性能 | 輕型 |
| 基本額定動載荷 | 9800 lbf 43500 N 43.50 kN |
| 基本額定靜載荷 | 6550 lbf 29200 N 29.20 kN |
| 極限轉速 | 2900轉/分鐘 |
| 重量 | 9.000 lb 4.100 kg |
| 應用溫度范圍 | -40 to 250 oF -40 to 120 oC |
| 潤滑方式 | 可再潤滑 |
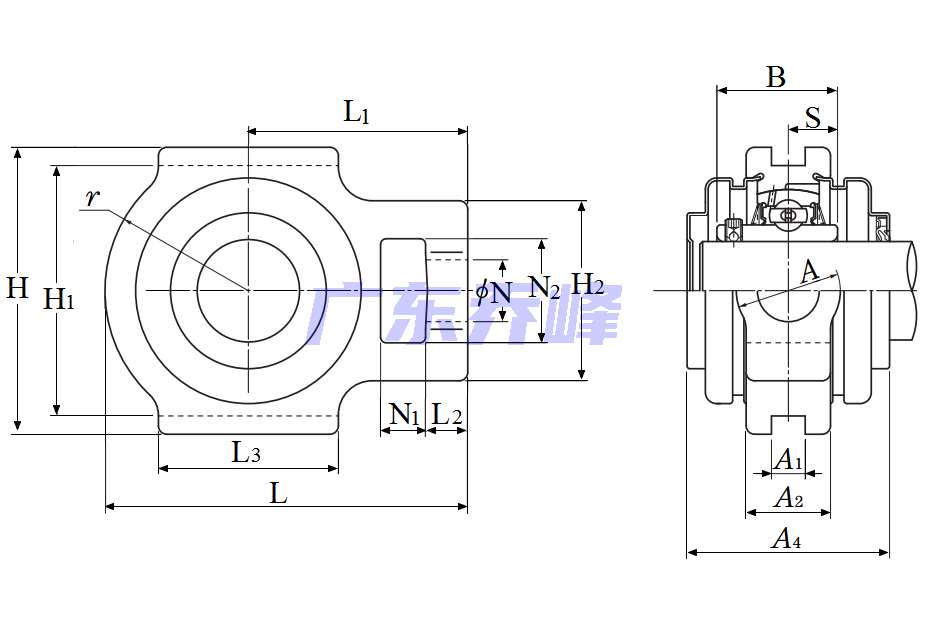
NTN SM-UCT211-201D1軸承尺寸規格
| 滑塊式軸承座,鑄造外殼,帶緊定螺釘,壓制鋼防塵蓋,封閉端蓋,UCT型 - 尺寸 | |
| d | 2.0625 in 52.388 mm |
| L | 6.7187 in 171.0 mm |
| H | 5.7500 in 146.0 mm |
| A4 | 3.6250 in 92.000 mm |
| H1 | 5.1250 in 130.0 mm |
| H2 | 4.0313 in 102.0 mm |
| L1 | 4.1875 in 106.0 mm |
| L2 | 0.8125 in 21.0 mm |
| L3 | 3.7500 in 95.0 mm |
| N | 1.3750 in 35.0 mm |
| N1 | 0.9687 in 25.0 mm |
| N2 | 2.5312 in 64.0 mm |
| A | 2.5312 in 64.0 mm |
| A1 | 0.8661 in 22.0 mm |
| A2 | 1.5000 in 38.0 mm |
| r | 2.5625 in 65.0 mm |
| B | 2.1890 in 55.600 mm |
| S | 0.8740 in 22.200 mm |
| F | 0.2362 in 6.000 mm |
NTN SM-UCT211-201D1軸承尺寸圖
NTN SM-UCT211-201D1軸承同尺寸型號
| S-UCT211-201D1 | 詳細尺寸,d:52.388mm,h:146.00000mm,be:92.000mm,r:171.000mm,r2max:130.000mm |
| SM-UCT211-201D1 | 詳細尺寸,d:52.388mm,h:146.00000mm,be:92.000mm,r:171.000mm,r2max:130.000mm |
| 共計找到2條記錄 | |
NTN SM-UCT211-201D1軸承相關配件/適用型號
| UC211-201D1 | 詳細尺寸,d:52.388mm,dD:100.000mm,c:27.000mm,b:55.600mm,r:2.000mm |
NTN軸承推薦
| NTN 63/28軸承 | 描述:軸承型號:63/28,單列深溝球軸承 - 開式 |
| NTN 63209LLU軸承 | 描述:軸承型號:63209LLU,單列深溝球軸承 - 雙面密封(接觸式橡膠密封) |
| NTN 6011LLU軸承 | 描述:軸承型號:6011LLU,單列深溝球軸承 - 雙面密封(接觸式橡膠密封) |
| NTN 6915LLB軸承 | 描述:軸承型號:6915LLB,單列深溝球軸承 - 雙面密封(非接觸式橡膠密封) |
| NTN 87016軸承 | 描述:軸承型號:87016,單列深溝球軸承 - 單面防塵蓋&單面密封(接觸式橡膠密封),87000系列 |
| NTN EC-6305LLUCS28軸承 | 描述:軸承型號:EC-6305LLUCS28,膨脹補償軸承 - 雙面密封(接觸式橡膠密封) |
| NTN 7001HTDF/GMP5軸承 | 描述:軸承型號:7001HTDF/GMP5,雙聯角接觸球軸承 - 面對面配對 |
| NTN UC218-308D1軸承 | 描述:軸承型號:UC218-308D1,帶緊定螺釘的外球面軸承,寬外圈 - 球面外圈 |
| NTN 659/653軸承 | 描述:軸承型號:659/653,圓錐滾子軸承 - 英制系列和J系列 |
| NTN NH2219軸承 | 描述:軸承型號:NH2219,圓柱滾子軸承帶單擋邊內圈帶外圈&滾子組件,斜擋圈 - NH系列 |
進口軸承推薦
| NSK 6821VV軸承 | 描述:0.3095 kg,單列深溝球軸承 |
| FAG 239/600BK.MB.C4軸承 | 描述:224 kg,調心滾子軸承 |
| NTN 6206NR軸承 | 描述:0.187 kg,單列深溝球軸承 |
| FAG 21320E1TVPB軸承 | 描述:8.19 kg,調心滾子軸承(X-life品質) |
| TIMKEN 22319KYMW33軸承 | 描述:9.94 kg,調心滾子軸承 |
MCGILL軸承推薦
| MCGILL ROLLWAY-N320EMC3軸承 | 基本尺寸,內徑:100.00000mm,外徑:215.00000mm,厚度:47.00000mm。 |
| MCGILL CFH3SB軸承 | 基本尺寸,內徑:0.00000mm,外徑:76.20000mm,厚度:44.45000mm。 |
| MCGILL MCFD40軸承 | 基本尺寸,內徑:0.00000mm,外徑:40.00000mm,厚度:20.00000mm。 |
| MCGILL GR80+MI64軸承 | 基本尺寸,內徑:5.00000mm,外徑:6.50000mm,厚度:2.25000mm。 |
| MCGILL GR26N+MI21N軸承 | 基本尺寸,內徑:1.62500mm,外徑:2.18750mm,厚度:1.00000mm。 |

