NTN NUKRU140軸承技術規格
| 類型 | 凸輪從動軸承 |
| 材質 | 淬透鋼 |
| 螺紋類型 | 公制 |
| 保持架材質 | 無 |
| 極限轉速-脂潤滑 | 1500轉/分鐘 |
| 滾子型式 | 凸度滾子 |
| 螺柱類型 | 偏心 |
| 軸承類型 | 滾針軸承 |
| 外圈類型 | 球面 |
| 附件 | 防塵蓋 |
| 驅動裝置型式 | 插入式 |
| 結構 | 單列 |
| 扭矩 | 1540.0 N ·m |
| 基本額定靜載荷 | 66000 lbf 294000 N |
| 基本額定動載荷 | 45000 lbf 201000 N |
| 軌道額定載荷 | 4500 lbf 20000 N |
| 重量 | 17.593 lb 7.980 kg |
| 應用溫度范圍 | -40 to 250 oF -40 to 120 oC |
NTN NUKRU140軸承尺寸規格
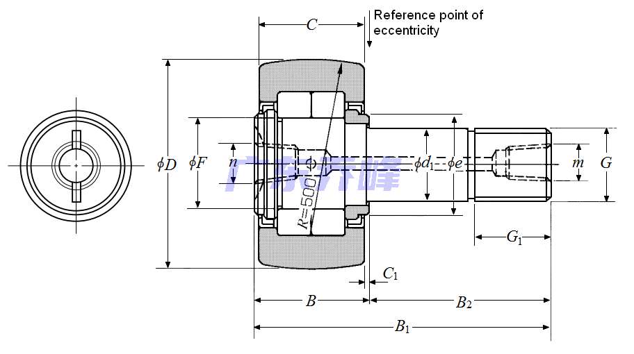
| 凸輪從動螺柱式滾輪軸承 - 球面外圈,NUKRU型 - 尺寸 | |
| G | M48x1.5 |
| B1 | 6.2992 in 160.000 mm |
| B2 | 3.9370 in 100.000 mm |
| D | 5.5118 in 140.000 mm |
| D公差 | 0/-0.0020 in 0/-0.050 mm |
| B | 2.3622 in 60.000 mm |
| C | 2.2441 in 57.000 mm |
| d1 | 1.8898 in 48.000 mm |
| d1公差 | 0/-0.0010 in 0/-0.025 mm |
| G1 | 2.0472 in 52.000 mm |
| e | 2.8543 in 72.500 mm |
| F | 2.5591 in 65.000 mm |
| C1 | 0.0591 in 1.500 mm |
| n | PT1/8 |
| m | PT1/8 |
| 注油嘴尺寸 | A-PT1/8 |
NTN NUKRU140軸承尺寸圖
NTN軸承推薦
| NTN 6306LUNC3軸承 | 描述:軸承型號:6306LUNC3,單列深溝球軸承 - 單面密封(接觸式橡膠密封)帶止動環槽 |
| NTN 6206NRC4軸承 | 描述:軸承型號:6206NRC4,單列深溝球軸承 - 開式帶止動環 |
| NTN 3578A/3525軸承 | 描述:軸承型號:3578A/3525,圓錐滾子軸承 - 英制系列和J系列 |
| NTN 14282軸承 | 描述:軸承型號:14282,圓錐滾子軸承外圈 - 英制系列和J系列 |
| NTN NNU4920軸承 | 描述:軸承型號:NNU4920,雙列圓柱滾子軸承 - 圓柱孔 - NN型U |
| NTN M1217TL軸承 | 描述:軸承型號:M1217TL,帶保持架和滾子的外圈,兩個擋圈 |
| NTN M5213EL軸承 | 描述:軸承型號:M5213EL,帶保持架和滾子的外圈,兩個加強筋 |
| NTN N2222軸承 | 描述:軸承型號:N2222,圓柱滾子軸承 -內圈帶兩個加強筋,可分離型,普通外圈 - N型 |
| NTN CRV52XLLH軸承 | 描述:軸承型號:CRV52XLLH,凸輪從動螺柱式滾輪軸承 - 圓柱內徑,CRV..LLH型 |
| NTN 1R380X430X140軸承 | 描述:軸承型號:1R380X430X140,內圈 |
進口軸承推薦
| FAG 22308ES.C3軸承 | 描述:0.98 kg,調心滾子軸承 |
| FAG 6001.ZR.C3軸承 | 描述:0.02 kg,單列深溝球軸承 |
| FAG HCM7012-E-T-P4S-UL-XL軸承 | 描述:0.4 kg, 單列角接觸球軸承 |
| FAG 24172-E1軸承 | 描述:270 kg,調心滾子軸承(X-life品質) |
| SKF 23160CC/C3W33軸承 | 描述:131 kg,調心滾子軸承 |
MCGILL軸承推薦
| MCGILL MR18+MI14軸承 | 基本尺寸,內徑:1.12500mm,外徑:1.62500mm,厚度:1.00000mm。 |
| MCGILL MR60SS+MI50軸承 | 基本尺寸,內徑:3.75000mm,外徑:4.75000mm,厚度:2.00000mm。 |
| MCGILL CCF7/8SB軸承 | 基本尺寸,內徑:0.00000mm,外徑:22.23000mm,厚度:12.70000mm。 |
| MCGILL BCF2S軸承 | 基本尺寸,內徑:0.00000mm,外徑:50.80000mm,厚度:31.75000mm。 |
| MCGILL ROLLWAY-N316EMC3軸承 | 基本尺寸,內徑:80.00000mm,外徑:170.00000mm,厚度:39.00000mm。 |

