NTN NUKRT180X軸承技術規格
| 類型 | 凸輪從動軸承 |
| 材質 | 淬透鋼 |
| 螺紋類型 | 公制 |
| 保持架材質 | 無 |
| 極限轉速-脂潤滑 | 1000轉/分鐘 |
| 滾子型式 | 圓柱型 |
| 螺柱類型 | 公制 |
| 軸承類型 | 滾針軸承 |
| 外圈類型 | 圓柱型 |
| 附件 | 防塵蓋 |
| 驅動裝置型式 | 插入式 |
| 結構 | 單列 |
| 扭矩 | 3670.0 N ·m |
| 基本額定靜載荷 | 125000 lbf 555000 N |
| 基本額定動載荷 | 82000 lbf 365000 N |
| 軌道額定載荷 | 57000 lbf 253000 N |
| 重量 | 37.479 lb 17.000 kg |
| 應用溫度范圍 | -40 to 250 oF -40 to 120 oC |
NTN NUKRT180X軸承尺寸規格
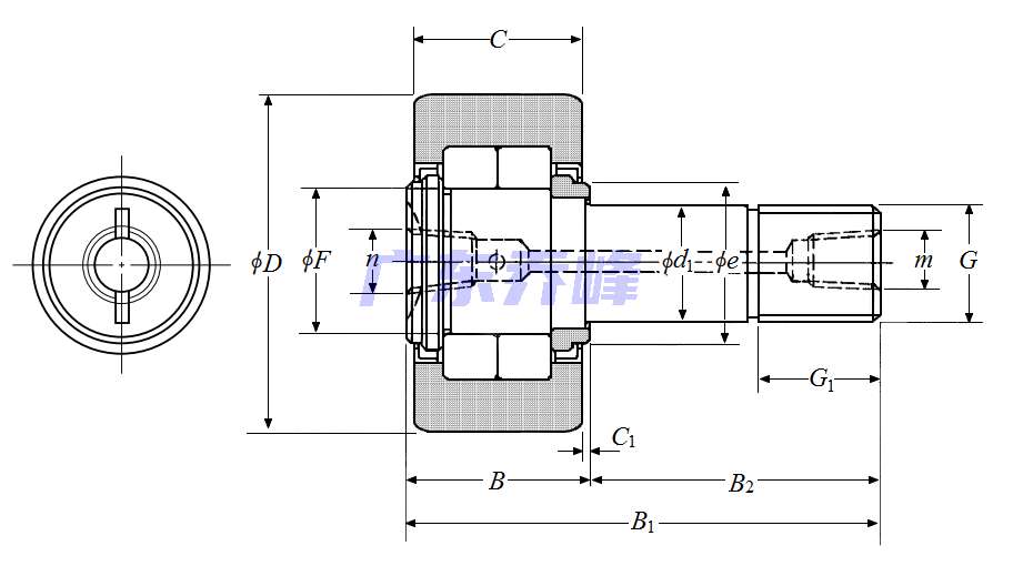
| 凸輪從動螺柱式滾輪軸承 - 圓柱內徑,NUKRT型 - 尺寸 | |
| G | M64x3 |
| B1 | 7.8740 in 200.000 mm |
| B2 | 4.8819 in 124.000 mm |
| D | 7.0866 in 180.000 mm |
| D公差 | 0/-0.0020 in 0/-0.050 mm |
| B | 2.9921 in 76.000 mm |
| C | 2.8346 in 72.000 mm |
| d1 | 2.5197 in 64.000 mm |
| d1公差 | 0/-0.0012 in 0/-0.030 mm |
| G1 | 2.5591 in 65.000 mm |
| e | 4.0748 in 103.500 mm |
| F | 3.6024 in 91.500 mm |
| C1 | 0.0787 in 2.000 mm |
| n | PT1/8 |
| m | PT1/8 |
| 注油嘴尺寸 | A-PT1/8 |
NTN NUKRT180X軸承尺寸圖
NTN軸承推薦
| NTN FLW689ZZ軸承 | 描述:軸承型號:FLW689ZZ,單列深溝球軸承帶法蘭外圈 - 雙面防塵蓋 |
| NTN 6803LLBC3軸承 | 描述:軸承型號:6803LLBC3,單列深溝球軸承 - 雙面密封(非接觸式橡膠密封) |
| NTN 6306BLLU/32C4軸承 | 描述:軸承型號:6306BLLU/32C4,單列深溝球軸承 - 雙面密封(接觸式橡膠密封) |
| NTN 6913軸承 | 描述:軸承型號:6913,單列深溝球軸承 - 開式 |
| NTN HTA038ADB軸承 | 描述:軸承型號:HTA038ADB,軸向載荷雙聯角接觸球軸承 - HTA型 |
| NTN ML71904CVUJ74軸承 | 描述:軸承型號:ML71904CVUJ74,高速單列角接觸球軸承 - 高精度 |
| NTN A-UC210-113D1軸承 | 描述:軸承型號:A-UC210-113D1,超一流帶緊定螺釘的外球面軸承,寬外圈 - 球面外圈 |
| NTN 14283軸承 | 描述:軸承型號:14283,圓錐滾子軸承外圈 - 英制系列和J系列 |
| NTN 430228X軸承 | 描述:軸承型號:430228X,雙列圓錐滾子軸承 |
| NTN NU212G1C3軸承 | 描述:軸承型號:NU212G1C3,圓柱滾子軸承 -可分離型,普通內圈,外圈帶兩個加強筋 - NU型 |
進口軸承推薦
| FAG 22234.C3軸承 | 描述:27 kg,調心滾子軸承 |
| NTN 22212BKD1軸承 | 描述:1.091 kg,調心滾子軸承 |
| FAG 618/1000-MA-C5軸承 | 描述:245 kg,深溝球軸承 |
| SKF 361984CA軸承 | 描述:0.344 kg,單列深溝球軸承 |
| NACHI 22320AEXW33-VCS軸承 | 描述:12.8 kg,調心滾子軸承 |
MCGILL軸承推薦
| MCGILL MR20SS+MI16軸承 | 基本尺寸,內徑:1.25000mm,外徑:1.75000mm,厚度:1.25000mm。 |
| MCGILL ROLLWAY-NU220EMC3軸承 | 基本尺寸,內徑:100.00000mm,外徑:180.00000mm,厚度:34.00000mm。 |
| MCGILL MCYR8S軸承 | 基本尺寸,內徑:8.00000mm,外徑:24.00000mm,厚度:14.00000mm。 |
| MCGILL CCFH3-1/4軸承 | 基本尺寸,內徑:0.00000mm,外徑:82.55000mm,厚度:44.45000mm。 |
| MCGILL GR32N+MI26N軸承 | 基本尺寸,內徑:2.00000mm,外徑:2.56250mm,厚度:1.00000mm。 |

