NTN NUKR52X軸承技術規格
| 類型 | 凸輪從動軸承 |
| 材質 | 淬透鋼 |
| 螺紋類型 | 公制 |
| 保持架材質 | 無 |
| 極限轉速-脂潤滑 | 3300轉/分鐘 |
| 滾子型式 | 圓柱型 |
| 螺柱類型 | 公制 |
| 軸承類型 | 滾針軸承 |
| 外圈類型 | 圓柱型 |
| 附件 | 防塵蓋 |
| 驅動裝置型式 | 插入式 |
| 結構 | 單列 |
| 扭矩 | 98.0 N ·m |
| 基本額定靜載荷 | 12900 lbf 57500 N |
| 基本額定動載荷 | 9550 lbf 42500 N |
| 軌道額定載荷 | 1250 lbf 5550 N |
| 重量 | 0.992 lb 0.450 kg |
| 應用溫度范圍 | -40 to 250 oF -40 to 120 oC |
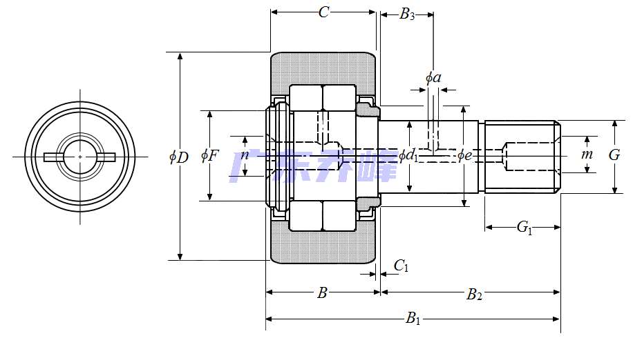
NTN NUKR52X軸承尺寸規格
| 凸輪從動螺柱式滾輪軸承 - 圓柱內徑,NUKR型 - 尺寸 | |
| G | M20x1.5 |
| B1 | 2.5984 in 66.000 mm |
| B2 | 1.5945 in 40.500 mm |
| D | 2.0472 in 52.000 mm |
| D公差 | 0/-0.0020 in 0/-0.050 mm |
| B | 1.0039 in 25.500 mm |
| C | 0.9449 in 24.000 mm |
| d1 | 0.7874 in 20.000 mm |
| d1公差 | 0/-0.0008 in 0/-0.021 mm |
| G1 | 0.8268 in 21.000 mm |
| e | 1.2205 in 31.000 mm |
| B3 | 0.3543 in 9.000 mm |
| a | 0.1575 in 4.000 mm |
| F | 1.1811 in 30.000 mm |
| C1 | 0.0315 in 0.800 mm |
| n | 0.3150 in 8.000 mm |
| m | 0.3150 in 8.000 mm |
| 注油嘴尺寸 | NIP-B8 |
NTN NUKR52X軸承尺寸圖
NTN軸承推薦
| NTN 6004LUNRC3軸承 | 描述:軸承型號:6004LUNRC3,單列深溝球軸承 - 單面密封(接觸式橡膠密封)帶止動環 |
| NTN 6203LLB/15.875軸承 | 描述:軸承型號:6203LLB/15.875,單列深溝球軸承 - 雙面密封(非接觸式橡膠密封) |
| NTN 6319LLUNRC3軸承 | 描述:軸承型號:6319LLUNRC3,單列深溝球軸承 - 雙面密封(接觸式橡膠密封)帶止動環 |
| NTN 7307BL1G/GN軸承 | 描述:軸承型號:7307BL1G/GN,單列角接觸球軸承 - 開式 |
| NTN 7222CDB/GNP5軸承 | 描述:軸承型號:7222CDB/GNP5,雙聯角接觸球軸承 - 背對背配對 |
| NTN AEL205-014W3軸承 | 描述:軸承型號:AEL205-014W3,帶偏心鎖緊套的外球面軸承,狹窄內圈 - 球面外圈 |
| NTN H715341/H715310軸承 | 描述:軸承型號:H715341/H715310,圓錐滾子軸承 - 英制系列和J系列 |
| NTN N1012G1C2P6軸承 | 描述:軸承型號:N1012G1C2P6,圓柱滾子軸承 -內圈帶兩個加強筋,可分離型,普通外圈 - N型 |
| NTN MU1319CL軸承 | 描述:軸承型號:MU1319CL,圓柱滾子軸承 -內圈帶兩個加強筋,可分離型,普通外圈 |
| NTN MU5313CL軸承 | 描述:軸承型號:MU5313CL,圓柱滾子軸承 -內圈帶兩個加強筋,可分離型,普通外圈 |
進口軸承推薦
| NTN TMB005JR2CS24PX1/3A軸承 | 描述:0.079 kg,單列深溝球軸承 |
| NSK 634ZZ+6軸承 | 描述:0.0053 kg,單列深溝球軸承 |
| FAG 6232.2RSR軸承 | 描述:14.1 kg, |
| SKF 6213-2Z/C3WT軸承 | 描述:0.989 kg,單列深溝球軸承 |
| SKF 6003-2RS1TN9/C3軸承 | 描述:0.038 kg,單列深溝球軸承 |
MCGILL軸承推薦
| MCGILL MCYRD50軸承 | 基本尺寸,內徑:50.00000mm,外徑:90.00000mm,厚度:30.00000mm。 |
| MCGILL MCFR-26A-S-TMS1軸承 | 基本尺寸,內徑:0.00000mm,外徑:26.00000mm,厚度:12.00000mm。 |
| MCGILL BCF1-5/8S軸承 | 基本尺寸,內徑:0.00000mm,外徑:41.28000mm,厚度:22.23000mm。 |
| MCGILL MR10SS+MI6軸承 | 基本尺寸,內徑:0.62500mm,外徑:1.12500mm,厚度:1.00000mm。 |
| MCGILL ROLLWAY-N316EMC3軸承 | 基本尺寸,內徑:80.00000mm,外徑:170.00000mm,厚度:39.00000mm。 |

