NTN NA4906S軸承技術規格
| 類型 | 游隙可調滾針軸承 |
| 內孔型式 | 圓柱孔 |
| 材質 | 高碳鉻鋼 |
| 保持架材質 | 鋼 |
| 極限轉速-油潤滑 | 11000轉/分鐘 |
| 極限轉速-脂潤滑 | 7300轉/分鐘 |
| 精度 | ISO Class 0 |
| 結構 | 單列 |
| 附件 | 開式 |
| 軸承設計型式 | 帶內圈 |
| 注油孔 | 帶注油孔 |
| 徑向游隙 | CN |
| 基本額定靜載荷 | 4850 lbf 21600 N 21.60 kN |
| 基本額定動載荷 | 3350 lbf 14900 N 14.90 kN |
| 重量 | 0.218 lb 0.099 kg |
| 應用溫度范圍 | -40 to 250 oF -40 to 120 oC |
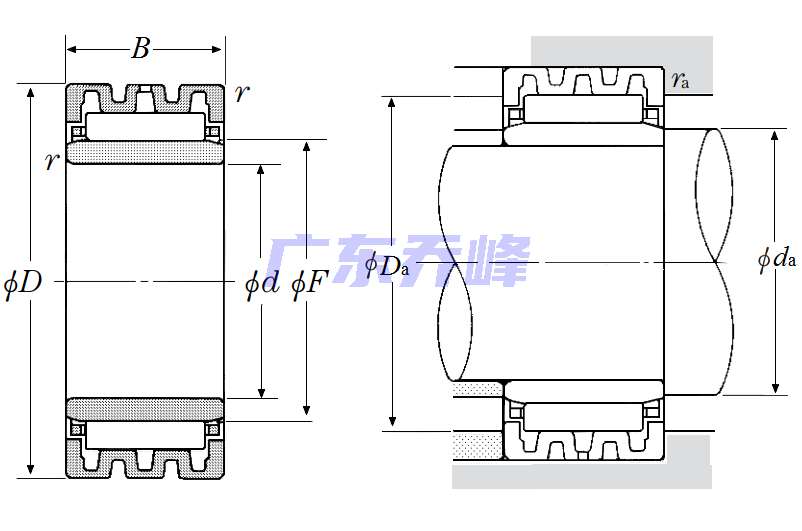
NTN NA4906S軸承尺寸規格
| 游隙可調滾針軸承帶內圈 - 尺寸 | |
| d | 1.1811 in 30.000 mm |
| D | 1.8504 in 47.000 mm |
| F | 1.3780 in 35.000 mm |
| B | 0.6693 in 17.000 mm |
| r | 0.0118 in 0.300 mm |
| da min | 1.2598 in 32.000 mm |
| Da max | 1.6142 in 41.000 mm |
| ras max | 0.0118 in 0.300 mm |
NTN NA4906S軸承尺寸圖
NTN軸承推薦
| NTN 60/22LLU軸承 | 描述:軸承型號:60/22LLU,單列深溝球軸承 - 雙面密封(接觸式橡膠密封) |
| NTN 7206HG1DUJ94軸承 | 描述:軸承型號:7206HG1DUJ94,雙聯角接觸球軸承,高精度 - 萬能平頂軸承 |
| NTN 2LA-BNS017ADLLB軸承 | 描述:軸承型號:2LA-BNS017ADLLB,密封高速角接觸球軸承 - BNS Ultage系列 |
| NTN A-UCX15-214D1軸承 | 描述:軸承型號:A-UCX15-214D1,超一流帶緊定螺釘的外球面軸承,寬外圈 - 球面外圈 |
| NTN 81600/81962軸承 | 描述:軸承型號:81600/81962,圓錐滾子軸承 - 英制系列和J系列 |
| NTN 2984軸承 | 描述:軸承型號:2984,圓錐滾子軸承內圈 - 英制系列和J系列 |
| NTN M1307FGEF軸承 | 描述:軸承型號:M1307FGEF,帶保持架和滾子的外圈,兩個加強筋&帶止動環槽 in外圈 O.D. |
| NTN N1056軸承 | 描述:軸承型號:N1056,圓柱滾子軸承 -內圈帶兩個加強筋,可分離型,普通外圈 - N型 |
| NTN RNA6912R軸承 | 描述:軸承型號:RNA6912R,雙列機加工滾針軸承,不帶內圈 - RNA69.R系列 |
| NTN NATR25LL/LP03軸承 | 描述:軸承型號:NATR25LL/LP03,擋圈型滾輪軸承 - 帶內圈,雙面密封,NATR型,球面外圈 |
進口軸承推薦
| FAG 205NR軸承 | 描述:0.134 kg,單列深溝球軸承 |
| TIMKEN 23132CAW33軸承 | 描述:20 kg,調心滾子軸承 |
| FAG 6004.C2軸承 | 描述:0.066 kg,單列深溝球軸承 |
| FAG 22207-E1軸承 | 描述:0.401 kg,調心滾子軸承(X-life品質) |
| NTN 6001Z C3軸承 | 描述:0.02 kg · 單列深溝球軸承 |
MCGILL軸承推薦
| MCGILL MR56+MI47軸承 | 基本尺寸,內徑:3.50000mm,外徑:4.50000mm,厚度:2.00000mm。 |
| MCGILL CFE3SB軸承 | 基本尺寸,內徑:0.00000mm,外徑:76.20000mm,厚度:44.45000mm。 |
| MCGILL BCCF1-1/8S軸承 | 基本尺寸,內徑:0.00000mm,外徑:28.58000mm,厚度:15.88000mm。 |
| MCGILL MCFR-32-SB-BHT1軸承 | 基本尺寸,內徑:0.00000mm,外徑:32.00000mm,厚度:14.00000mm。 |
| MCGILL CFH-5-S軸承 | 基本尺寸,內徑:0.00000mm,外徑:5.00000mm,厚度:69.85000mm。 |

