NTN KRT35X軸承技術規格
| 類型 | 凸輪從動軸承 |
| 材質 | 淬透鋼 |
| 螺紋類型 | 公制 |
| 保持架材質 | 壓制鋼 |
| 極限轉速-油潤滑 | 11000轉/分鐘 |
| 極限轉速-脂潤滑 | 8000轉/分鐘 |
| 滾子型式 | 圓柱型 |
| 螺柱類型 | 公制 |
| 軸承類型 | 滾針軸承 |
| 外圈類型 | 圓柱型 |
| 附件 | 開式 |
| 驅動裝置型式 | 插入式 |
| 結構 | 單列 |
| 扭矩 | 52.0 N ·m |
| 基本額定靜載荷 | 4000 lbf 17900 N |
| 基本額定動載荷 | 2740 lbf 12200 N |
| 軌道額定載荷 | 2680 lbf 11900 N |
| 重量 | 0.373 lb 0.169 kg |
| 應用溫度范圍 | -40 to 250 oF -40 to 120 oC |
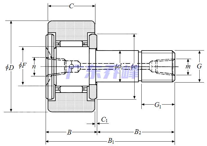
NTN KRT35X軸承尺寸規格
| 凸輪從動螺柱式滾輪軸承 - 圓柱內徑,KRT型 - 尺寸 | |
| G | M16x1.5 |
| B1 | 2.0472 in 52.000 mm |
| B2 | 1.2795 in 32.500 mm |
| D | 1.3780 in 35.000 mm |
| D公差 | 0/-0.0020 in 0/-0.050 mm |
| B | 0.7677 in 19.500 mm |
| C | 0.7087 in 18.000 mm |
| d1 | 0.6299 in 16.000 mm |
| d1公差 | 0/-0.0007 in 0/-0.018 mm |
| G1 | 0.6693 in 17.000 mm |
| e | 1.0630 in 27.000 mm |
| F | 0.7087 in 18.000 mm |
| C1 | 0.0315 in 0.800 mm |
| n | PT1/8 |
| m | PT1/8 |
| 注油嘴尺寸 | A-PT1/8 |
NTN KRT35X軸承尺寸圖
NTN軸承推薦
| NTN 60/22NRC3軸承 | 描述:軸承型號:60/22NRC3,單列深溝球軸承 - 開式帶止動環 |
| NTN 6806JRLLUNC3軸承 | 描述:軸承型號:6806LLUNC3,單列深溝球軸承 - 雙面密封(接觸式橡膠密封),帶止動環槽 |
| NTN 6208ZZNC3軸承 | 描述:軸承型號:6208ZZNC3,單列深溝球軸承 - 雙面防塵蓋,帶止動環槽 |
| NTN 2214SK軸承 | 描述:軸承型號:2214K,圓錐孔自調心球軸承 |
| NTN UC318-308D1軸承 | 描述:軸承型號:UC318-308D1,帶緊定螺釘的外球面軸承,寬外圈 - 球面外圈 |
| NTN LM565949/LM565910軸承 | 描述:軸承型號:LM565949/LM565910,圓錐滾子軸承 - 英制系列和J系列 |
| NTN 1R50X58X22軸承 | 描述:軸承型號:1R50X58X22,內圈 |
| NTN 23240EMKD1軸承 | 描述:軸承型號:23240EMKW33,調心滾子軸承,帶圓錐孔&注油槽 |
| NTN 22322EKF800軸承 | 描述:軸承型號:22322EKF800,振動篩用調心滾子軸承 - 圓錐孔 |
| NTN UCP208-108D1軸承 | 描述:軸承型號:UCP208-108D1,軸承座,鑄造外殼,帶緊定螺釘,UCP/UCPX型 |
進口軸承推薦
| SKF R8-2Z/W64軸承 | 描述:0.022 kg,單列深溝球軸承 |
| FAG R6-RSR-HLC-R3-8軸承 | 描述:0.013 kg,深溝球軸承 |
| FAG 608-Z-C3軸承 | 描述:0.012 kg,單列深溝球軸承 |
| KOYO 24152RRK30W33C3軸承 | 描述:112 kg,調心滾子軸承 |
| TIMKEN 23044EMW33軸承 | 描述:31.2 kg,調心滾子軸承 |
MCGILL軸承推薦
| MCGILL BCFE5/8SB軸承 | 基本尺寸,內徑:0.00000mm,外徑:15.88000mm,厚度:11.11000mm。 |
| MCGILL BCCFE11/16S軸承 | 基本尺寸,內徑:0.00000mm,外徑:17.46000mm,厚度:11.11000mm。 |
| MCGILL BCCF1-1/8S軸承 | 基本尺寸,內徑:0.00000mm,外徑:28.58000mm,厚度:15.88000mm。 |
| MCGILL ROLLWAY-NU222EMC3軸承 | 基本尺寸,內徑:110.00000mm,外徑:200.00000mm,厚度:38.00000mm。 |
| MCGILL MR104+MI88軸承 | 基本尺寸,內徑:6.50000mm,外徑:8.00000mm,厚度:3.00000mm。 |

