NTN C-UCFL217D1軸承技術規格
| 類型 | 雙螺栓菱形法蘭式軸承座單元 |
| 軸承類型 | 滾珠軸承 |
| 鎖緊裝置 | 緊定螺釘 |
| 密封型式 | 接觸式 |
| 密封圈材質 | 丁腈橡膠 |
| 軸承型號 | UC217D1 |
| 軸承座型號 | FL217D1 |
| 殼體材質 | 鑄鐵 |
| 殼體鑄造型式 | 一體成型 |
| 端蓋類型 | 開式 |
| 性能 | 輕型 |
| 基本額定動載荷 | 18800 lbf 83500 N 83.50 kN |
| 基本額定靜載荷 | 14400 lbf 64000 N 64.00 kN |
| 極限轉速 | 1900轉/分鐘 |
| 重量 | 22.000 lb 10.000 kg |
| 應用溫度范圍 | -40 to 250 oF -40 to 120 oC |
| 潤滑方式 | 可再潤滑 |
NTN C-UCFL217D1軸承尺寸規格
| 雙螺栓菱形法蘭式軸承座單元,帶緊定螺釘,鑄造防塵蓋,開式端蓋,UCFL型 - 尺寸 | |
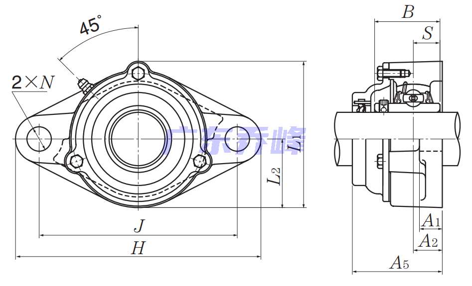
| d | 3.3465 in 85.000 mm |
| H | 12.0000 in 305.0 mm |
| L | 7.4687 in 190.0 mm |
| L1 | 7.5625 in 192.0 mm |
| L2 | 3.7500 in 95.0 mm |
| J | 9.7656 in 248.0 mm |
| A1 | 0.9375 in 24.0 mm |
| A2 | 1.4219 in 36.0 mm |
| A5 | 4.5000 in 114.000 mm |
| N | 0.9844 in 25.0 mm |
| B | 3.3740 in 85.700 mm |
| S | 1.3425 in 34.100 mm |
| F | 0.3976 in 10.100 mm |
NTN C-UCFL217D1軸承尺寸圖
NTN C-UCFL217D1軸承同尺寸型號
| C-UCFL217D1 | 詳細尺寸,d:85.000mm,h:305.00000mm,b:114.000mm,j:248.000mm,r:192.000mm |
| CM-UCFL217D1 | 詳細尺寸,d:85.000mm,h:305.00000mm,b:114.000mm,j:248.000mm,r:192.000mm |
| 共計找到2條記錄 | |
NTN C-UCFL217D1軸承相關配件/適用型號
| UC217D1 | 詳細尺寸,d:85.000mm,dD:150.000mm,c:36.000mm,b:85.700mm,r:2.500mm |
NTN C-UCFL217D1軸承在售型號
| 在售型號 | 庫存數量 | 市場價 |
| C-UCFL217D1 | 1938 | 627.64 |
| 注:可直接聯系銷售人員了解詳情。 | ||
NTN軸承推薦
| NTN 6012LLUNC3軸承 | 描述:軸承型號:6012LLUNC3,單列深溝球軸承 - 雙面密封(接觸式橡膠密封),帶止動環槽 |
| NTN 5304SEEG15軸承 | 描述:軸承型號:5304EEG15,雙列角接觸球軸承 - 雙面密封(接觸式橡膠密封) |
| NTN 7012CVUJ74軸承 | 描述:軸承型號:7012CVUJ74,單列角接觸球軸承,高精度 |
| NTN 7212DB軸承 | 描述:軸承型號:7212DB,雙聯角接觸球軸承 - 背對背配對 |
| NTN 6AS08-1D1軸承 | 描述:軸承型號:6AS08-1D1,重型盤式軸承 - 方孔,圓柱內徑,6系列 |
| NTN SL02-4936軸承 | 描述:軸承型號:SL02-4936,雙列圓柱滾子軸承帶Free Side - SL02型 |
| NTN M5213UL軸承 | 描述:軸承型號:M5213UL,帶保持架和滾子的外圈,一邊帶加強筋&一邊帶擋圈 |
| NTN MR1924TL軸承 | 描述:軸承型號:MR1924TL,圓柱滾子軸承 -可分離型內圈帶一個加強筋,外圈帶兩個擋圈 |
| NTN NA4938軸承 | 描述:軸承型號:NA4938,機加工滾針軸承帶內圈 - NA48,NA49系列 |
| NTN 23248BK軸承 | 描述:軸承型號:23248BK,調心滾子軸承 - 圓錐孔 |
進口軸承推薦
| NTN 22326E1軸承 | 描述:26 kg,調心滾子軸承 |
| NTN 6311 2RS C3軸承 | 描述:1.38 kg,單列深溝球軸承 |
| SKF 24188CA/W33軸承 | 描述:460 kg,調心滾子軸承 |
| NSK 6207C3軸承 | 描述:0.286 kg,單列深溝球軸承 |
| NSK 7938A5 TR SUL P3軸承 | 描述:4.35 kg, 單列角接觸球軸承 |
MCGILL軸承推薦
| MCGILL MCFR-26A-SBX-W軸承 | 基本尺寸,內徑:0.00000mm,外徑:26.00000mm,厚度:12.00000mm。 |
| MCGILL CCFH3軸承 | 基本尺寸,內徑:0.00000mm,外徑:76.20000mm,厚度:44.45000mm。 |
| MCGILL CFE3.1/4軸承 | 基本尺寸,內徑:0.00000mm,外徑:82.55000mm,厚度:44.45000mm。 |
| MCGILL GR80+MI68軸承 | 基本尺寸,內徑:5.00000mm,外徑:6.50000mm,厚度:2.25000mm。 |
| MCGILL GR56N+MI48N軸承 | 基本尺寸,內徑:3.50000mm,外徑:4.50000mm,厚度:1.75000mm。 |

