NTN ARP-2S軸承技術規格
| 類型 | 軸承座 |
| 軸承類型 | 滾珠軸承 |
| 鎖緊裝置 | 緊定螺釘 |
| 密封型式 | 接觸式 |
| 密封圈材質 | 丁腈橡膠 |
| 軸承型號 | A-AR210-200D1 |
| 軸承座型號 | P210D1V50 |
| 殼體材質 | 鑄鐵 |
| 殼體鑄造型式 | 一體成型 |
| 端蓋類型 | 開式 |
| 表面涂層 | 黑色氧化物 |
| 性能 | 輕型 |
| 基本額定動載荷 | 7900 lbf 35100 N 35.10 kN |
| 基本額定靜載荷 | 5200 lbf 23100 N 23.10 kN |
| 最大擰緊力矩 | 69磅·英寸 |
| 應用溫度范圍 | -40 to 250 oF -40 to 120 oC |
| 潤滑方式 | 可再潤滑 |
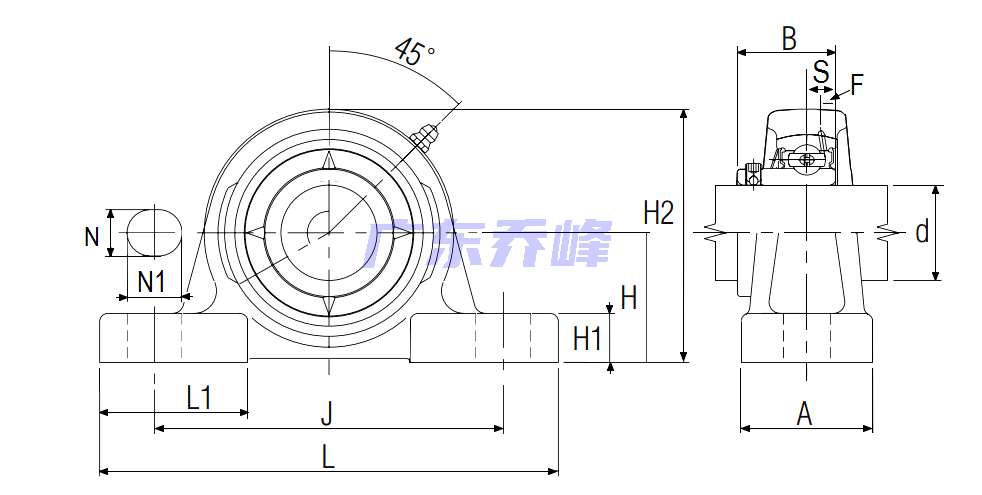
NTN ARP-2S軸承尺寸規格
| 超一流軸承座帶緊定螺釘,高大基座,ARP型 - 尺寸 | |
| d | 2 in 50.800 mm |
| J | 6-7/32 in 158.0 mm |
| L | 8.1250 in 206.4 mm |
| A | 2.3750 in 60.3 mm |
| H | 2-1/4 in 57.2 mm |
| H1 | 0.8125 in 20.6 mm |
| H2 | 4.5000 in 114.3 mm |
| N | 0.6875 in 17.5 mm |
| N1 | 0.9375 in 23.8 mm |
| L1 | 2.5625 in 65.1 mm |
| B | 1.6929 in 43.000 mm |
| S | 0.4330 in 10.998 mm |
| F | 0.1693 in 4.300 mm |
NTN ARP-2S軸承尺寸圖
NTN ARP-2S軸承同尺寸型號
| JELP-2S | 詳細尺寸,d:50.800mm,h:57.20000mm,b:60.300mm,j:158.000mm,2b:114.300mm,r:206.400mm |
| ARP-2S | 詳細尺寸,d:50.800mm,h:57.20000mm,b:60.300mm,j:158.000mm,2b:114.300mm,r:206.400mm |
| UELP-2S | 詳細尺寸,d:50.800mm,h:57.20000mm,b:60.300mm,j:158.000mm,2b:114.300mm,r:206.400mm |
| UCP-2S | 詳細尺寸,d:50.800mm,h:57.20000mm,b:60.300mm,j:158.000mm,2b:114.300mm,r:206.400mm |
| 共計找到4條記錄 | |
NTN ARP-2S軸承相關配件/適用型號
| A-AR210-200D1 | 詳細尺寸,d:50.800mm,dD:90.000mm,c:21.999mm,b:43.000mm,r:1.499mm |
NTN軸承推薦
| NTN 6201LUZC3/5K軸承 | 描述:軸承型號:6201LUZC3/5K,單列深溝球軸承 - 單面防塵蓋&單面密封(接觸式橡膠密封) |
| NTN 6903JRLLUNRC3軸承 | 描述:軸承型號:6903LLUNRC3,單列深溝球軸承 - 雙面密封(接觸式橡膠密封)帶止動環 |
| NTN UEL305-100D1軸承 | 描述:軸承型號:UEL305-100D1,帶偏心鎖緊套的外球面軸承,寬外圈 - 球面外圈 |
| NTN H247535/H247510CD+A軸承 | 描述:軸承型號:H247535/H247510CD+A,圓錐滾子軸承 - 英制系列和J系列 |
| NTN 778軸承 | 描述:軸承型號:778,圓錐滾子軸承內圈 - 英制系列和J系列 |
| NTN 32308C軸承 | 描述:軸承型號:32308C,圓錐滾子軸承 - 公制系列 |
| NTN 33012AL軸承 | 描述:軸承型號:33012AL,圓錐滾子軸承 - 公制系列 |
| NTN M5309TL軸承 | 描述:軸承型號:M5309TL,帶保持架和滾子的外圈,兩個擋圈 |
| NTN NJ406G1C3軸承 | 描述:軸承型號:NJ406G1C3,圓柱滾子軸承 -可分離型內圈帶一個加強筋,外圈帶兩個加強筋 |
| NTN 23172BC3軸承 | 描述:軸承型號:23172BC3,調心滾子軸承 - 圓柱孔,231系列 |
進口軸承推薦
| FAG 6211-TB-P6-C3-J22R軸承 | 描述:0.595 kg,單列深溝球軸承 |
| SKF 61906-2RS1軸承 | 描述:0.0474 kg,單列深溝球軸承 |
| INA W205-N-PP軸承 | 描述:0.178 kg,單列深溝球軸承 |
| NSK 6009VV CM NS7軸承 | 描述:0.239 kg · 單列深溝球軸承 |
| SKF 6203-2RSH/C3LHT23軸承 | 描述:0.0651 kg,單列深溝球軸承 |
MCGILL軸承推薦
| MCGILL ROLLWAY-E5211B軸承 | 基本尺寸,內徑:55.00000mm,外徑:100.00000mm,厚度:33.30000mm。 |
| MCGILL CCF5SB軸承 | 基本尺寸,內徑:0.00000mm,外徑:127.00000mm,厚度:69.85000mm。 |
| MCGILL FCF1-1/2SB軸承 | 基本尺寸,內徑:0.00000mm,外徑:1.50000mm,厚度:1.18800mm。 |
| MCGILL CFH5/8S軸承 | 基本尺寸,內徑:0.00000mm,外徑:15.88000mm,厚度:11.11000mm。 |
| MCGILL CFD6軸承 | 基本尺寸,內徑:0.00000mm,外徑:6.00000mm,厚度:3.25000mm。 |

