NTN 5S-HSB014CDBCS03P4軸承代號說明
5
S
-
H
S
B
0
1
4
C
D
B
C
S
0
3
P
4
5S-:陶瓷球軸承
HSB:超高速角接觸球軸承.HSB型
0:尺寸系列:10系列
14:內徑:70 mm
C:接觸角 15o
DB:背對背配對, / \
CS03:平均內部游隙 3 μm
P4:P4級精度
5S-:
陶瓷球軸承
HSB:
超高速角接觸球軸承.HSB型
0:
尺寸系列:10系列
14:
內徑:70 mm
C:
接觸角 15o
DB:
背對背配對, / \
CS03:
平均內部游隙 3 μm
P4:
P4級精度
NTN 5S-HSB014CDBCS03P4軸承技術規格
| 類型 | 角接觸球軸承 |
| 內孔型式 | 圓柱孔 |
| 材質 | 高碳鉻鋼 |
| 保持架型式 | 玻璃纖維增強 |
| 保持架材質 | 尼龍 |
| 滾珠材質 | 陶瓷 |
| 精度 | ISO Class 4 |
| 結構 | 雙列 |
| 附件 | 開式 |
| 重量 | 2.608 lb 1.183 kg |
| 應用溫度范圍 | -40 to 250 oF -40 to 120 oC |
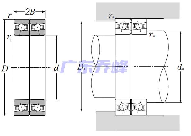
NTN 5S-HSB014CDBCS03P4軸承尺寸規格
| 超高速雙聯角接觸球軸承,背對背配對 - 尺寸 | |
| d | 2.7559 in 70.000 mm |
| D | 4.3307 in 110.000 mm |
| B | 0.6299 in 16.000 mm |
| 2B | 1.2598 in 32.000 mm |
| r | 0.0433 in 1.100 mm |
| r1 | 0.0236 in 0.600 mm |
| 接觸角 | 15 o |
| da min | 3.0315 in 77.000 mm |
| Da max | 4.0551 in 103.000 mm |
| ras max | 0.0394 in 1.000 mm |
NTN 5S-HSB014CDBCS03P4軸承尺寸圖
NTN軸承推薦
| NTN 6903JRZNRC3軸承 | 描述:軸承型號:6903ZNRC3,單列深溝球軸承 - 單面防塵蓋帶止動環 |
| NTN SX07A76LLUC3軸承 | 描述:軸承型號:SX07A76LLUC3,單列深溝球軸承 - 雙面密封(接觸式橡膠密封) |
| NTN 7006U軸承 | 描述:軸承型號:7006U,單列角接觸球軸承 - Ultage系列 |
| NTN MLE7009HVDUJ74S軸承 | 描述:軸承型號:MLE7009HVDUJ74S,密封雙聯角接觸球軸承,高精度 |
| NTN ML71906CV軸承 | 描述:軸承型號:ML71906CV,高速單列角接觸球軸承 - 高精度 |
| NTN 7002HTDF/GH軸承 | 描述:軸承型號:7002HTDF/GH,雙聯角接觸球軸承 - 面對面配對 |
| NTN JEL204-012軸承 | 描述:軸承型號:JEL204-012,帶偏心鎖緊套的外球面軸承,狹窄內圈 - 球面外圈 |
| NTN NU2205C3軸承 | 描述:軸承型號:NU2205C3,圓柱滾子軸承 -可分離型,普通內圈,外圈帶兩個加強筋 - NU型 |
| NTN 81114T2軸承 | 描述:軸承型號:K81114T2,推力滾針和保持架組件 - K811,K812系列 |
| NTN 23028EAKD1C3軸承 | 描述:軸承型號:23028EAKW33C3,調心滾子軸承,帶圓錐孔&注油槽 |
進口軸承推薦
| NACHI 22214EX軸承 | 描述:1.52 kg,調心滾子軸承 |
| FAG 16048-MA-C3軸承 | 描述:14.3 kg,深溝球軸承 |
| SNR 6316ZZ軸承 | 描述:3.81 kg,單列深溝球軸承 |
| FAG 6206-2RSR軸承 | 描述:0.192 kg,橡膠密封件(雙面)30x62x16mm |
| SNR 22338CB33MBJ30軸承 | 描述:81 kg,調心滾子軸承 |
MCGILL軸承推薦
| MCGILL ROLLWAY-U5220EMR軸承 | 基本尺寸,內徑:100.00000mm,外徑:180.00000mm,厚度:60.30000mm。 |
| MCGILL FCF1-1/2SB軸承 | 基本尺寸,內徑:0.00000mm,外徑:1.50000mm,厚度:1.18800mm。 |
| MCGILL MR28+MI22軸承 | 基本尺寸,內徑:1.75000mm,外徑:2.31250mm,厚度:1.25000mm。 |
| MCGILL ROLLWAY-N312EMC3軸承 | 基本尺寸,內徑:60.00000mm,外徑:130.00000mm,厚度:31.00000mm。 |
| MCGILL BCCFE3/4S軸承 | 基本尺寸,內徑:0.00000mm,外徑:19.05000mm,厚度:12.70000mm。 |

