NSK BSF40100DDUHP2BDT軸承尺寸、參數與圖紙
| 軸承尺寸及安裝尺寸(mm) | ||
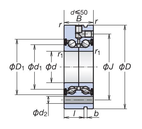
| 內徑 | d | 40 |
| 外徑 | D | 100 |
| 厚度 | 68 | |
| rmin | 0.6 | |
| r1 min | 0.6 | |
| d1 | 55.1 | |
| D1 | 67.2 | |
| J | 80 | |
| d2 | 8.8 | |
| l | 59 | |
| b | 3 | |
| t | 8x45° | |
| 基本額定載荷(kN) | ||
| 基本額定動載荷 | Ca | 72 |
| 基本額定靜載荷 | Coa | 176 |
| 極限軸向靜載荷 | 117 | |
| 允許軸向靜載荷 | 81.9 | |
| 極限轉速(min-1) | ||
| 脂潤滑 | 3500 | |
| 其他參數 | ||
| 預緊力(N) | - | |
| 軸向剛度(N/μm) | 1850 | |
| 起動力矩(N·m) | 0.49 | |
| 螺母鎖緊力推薦值(N) | 14100 | |
| 形式 | I | |
| 螺栓公稱型號 | M8 | |
| 螺栓數量 | 7 | |
| 質量(kg)(參考值) | 2.88 | |
NSK BSF40100DDUHP2BDT軸承相關產品推薦
| 其他型號 | 市場價 | 喬峰價 | 庫存 |
| NSK BSF40100DDUHP3軸承,貨期1-3周 | ¥5547.1元 | - | 2 |
NSK軸承推薦
| NSK 7016ATYNDBLP5 Q軸承 | NSK 7016ATYNDBLP5 Q軸承,市場價:¥1455.83元,當前庫存17套,添加時間:2023-08-29 19:23:36 |
| NSK 7213ATYNSUMP5軸承 | NSK 7213ATYNSUMP5軸承,市場價:¥602.27元,當前庫存1套,添加時間:2023-08-29 15:22:13 |
| NSK HR32036XJP4 6軸承 | NSK HR32036XJP4 6軸承,市場價:¥5315.82元,當前庫存5套,添加時間:2023-08-31 16:35:11 |
| NSK 40TAC72CDFDMPN7C Q軸承 | NSK 40TAC72CDFDMPN7C Q軸承,市場價:¥1142.49元,當前庫存36套,添加時間:2023-08-31 11:13:41 |
| NSK NN3019MBKRE44CC1P5 Q軸承 | NSK NN3019MBKRE44CC1P5 Q軸承,市場價:¥1146.60元,當前庫存10套,添加時間:2023-08-30 16:30:56 |
SKF軸承推薦
| SKF NA4860軸承 | 【帶機削套圈、帶內圈的滾針軸承】,內徑300.0000 mm,外徑380.0000 mm,厚度80.0000 mm |
| SKF 7005CE/P4AH1軸承 | 【超精密角接觸球軸承】,內徑25.0000 mm,外徑47.0000 mm,厚度12.0000 mm |
| SKF 3307A-2ZTN9/MT33軸承 | 【雙列角接觸球軸承】,內徑35.0000 mm,外徑80.0000 mm,厚度34.9000 mm |
| SKF YAR205-2LPW/SS軸承 | 【帶座軸承】,內徑25.0000 mm,外徑52.0000 mm,厚度0.0000 mm |
| SKF SNL505+22205K+HE305軸承 | 【SNL及SE系列安裝在緊定套上帶標準密封件的立式軸承座】,內徑0.0000 mm,外徑0.0000 mm,厚度0.0000 mm |
INA軸承推薦
| INA ZKLN60110-2Z-XL軸承 | INA ZKLN60110-2Z-XL軸承,市場價:¥5906.36元,當前庫存5套,添加時間:2023-08-24 13:34:35 |
| INA GE50-DO-2RS軸承 | INA GE50-DO-2RS軸承,市場價:¥181.81元,當前庫存151套,添加時間:2023-08-24 15:02:11 |
| INA RNAO80X100X30-XL軸承 | INA RNAO80X100X30-XL軸承,市場價:¥735.00元,當前庫存10套,添加時間:2023-08-24 10:58:47 |
| INA KWVE35-B-S-V1-G1軸承 | INA KWVE35-B-S-V1-G1軸承,市場價:¥1152.79元,當前庫存4套,添加時間:2023-08-26 10:48:15 |
| INA LR5200-2Z-TVH-XL軸承 | INA LR5200-2Z-TVH-XL軸承,市場價:¥77.63元,當前庫存5套,添加時間:2023-08-25 08:10:34 |

