NMB L-950ZZMTHP5P13LY551軸承尺寸、參數與圖紙
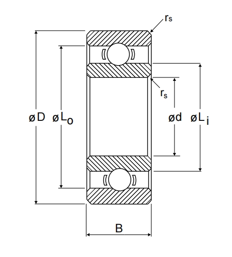
| 基本尺寸 (mm) | |
| 軸承內徑 d | 5 |
| 軸承外徑 D | 9 |
| 開式軸承厚度 B | 2.5 |
| 密封型軸承厚度 B | 3 |
| 倒角半徑 rs(min) | 0.1 |
| 基本尺寸 (in) | |
| 軸承內徑 d | 0.1969 |
| 軸承外徑 D | 0.3543 |
| 開式軸承厚度 B | 0.0984 |
| 密封型軸承厚度 B | 0.1181 |
| 倒角半徑 rs(min) | 0.004 |
| 安裝尺寸 (mm) | |
| 開式軸承外圈內徑 Lo | 7.73 |
| 開式軸承內圈外徑 Li | 6 |
| 密封式軸承外圈內徑 Lo | 8.04 |
| 密封式軸承內圈外徑 Li | 6 |
| 載荷(N) | |
| 基本動載荷 | 495 |
| 基本靜載荷 | 207 |
| 滾珠參數 | |
| 數量 Z | 10 |
| 直徑(mm) Dw | 1.1906 |
| 其他參數 | |
| ISO/JIS 標準代號 | - |
微型軸承推薦
| EZO MR106 AF2軸承 | 基本尺寸,內徑:6.00000mm,外徑:10.00000mm,厚度:2.50000mm。 |
| NMB R-3HHMTRA1P25LY121T軸承 | 基本尺寸,內徑:4.76200mm,外徑:12.70000mm,厚度:3.96700mm。 |
| NSK F635-H-ZZMC3軸承 | 基本尺寸,內徑:5.00000mm,外徑:19.00000mm,厚度:6.00000mm。 |
| NSK MR106T12ZZ1MC3 NS7L5軸承 | 基本尺寸,內徑:6.00000mm,外徑:10.00000mm,厚度:2.50000mm。 |
| EZO 627H.2RS軸承 | 基本尺寸,內徑:7.00000mm,外徑:22.00000mm,厚度:7.00000mm。 |
FAG軸承推薦
| FAG 3805-2RS軸承 | FAG 3805-2RS軸承,市場價:¥122.43元,當前庫存50套,添加時間:2023-08-17 19:32:47 |
| FAG NU2330-E-XL-M1A-C3軸承 | FAG NU2330-E-XL-M1A-C3軸承,市場價:¥19854.16元,當前庫存2套,添加時間:2023-08-19 10:34:57 |
| FAG 30/7-B-2Z-TVH軸承 | FAG 30/7-B-2Z-TVH軸承,市場價:¥0.00元,當前庫存0套,添加時間:2023-12-12 15:43:13 |
| FAG 32256-XL軸承 | FAG 32256-XL軸承,市場價:¥22010.69元,當前庫存3套,添加時間:2023-08-19 21:48:51 |
| FAG NU2319-E-XL-TVP2-C3軸承 | FAG NU2319-E-XL-TVP2-C3軸承,市場價:¥3578.77元,當前庫存5套,添加時間:2023-08-18 22:38:56 |
IKO軸承推薦
| IKO BA2010ZOH軸承 | 基本尺寸,內徑:31.75000mm,外徑:38.10000mm,厚度:15.88000mm。 |
| IKO BRI223520軸承 | 基本尺寸,內徑:34.92500mm,外徑:55.56200mm,厚度:31.75000mm。 |
| IKO GE17GS-2RS軸承 | 基本尺寸,內徑:17.00000mm,外徑:35.00000mm,厚度:20.00000mm。 |
| IKO BA56ZOH軸承 | 基本尺寸,內徑:7.93800mm,外徑:12.70000mm,厚度:9.52000mm。 |
| IKO NAF102612軸承 | 基本尺寸,內徑:10.00000mm,外徑:26.00000mm,厚度:12.00000mm。 |

