NMB 635DDSD07M3SMLY551T軸承尺寸、參數與圖紙
| 基本尺寸 (mm) | |
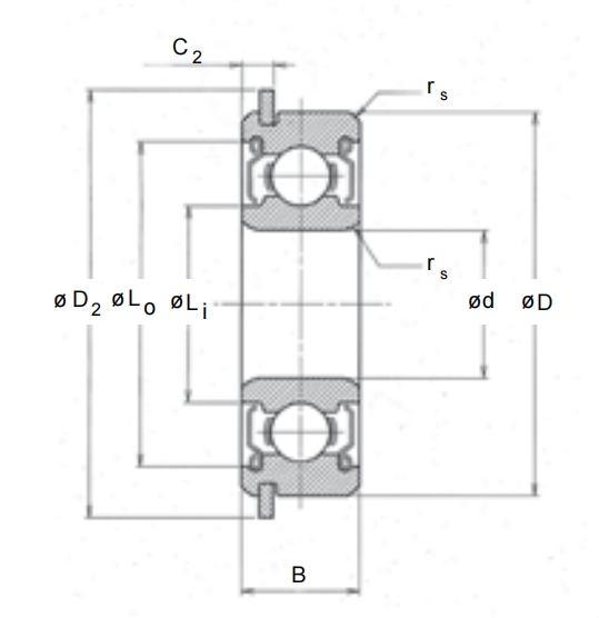
| 軸承內徑 d | 5 |
| 軸承外徑 D | 19 |
| 軸承厚度 B | 6 |
| 倒角半徑 rs(min) | 0.3 |
| 基本尺寸 (in) | |
| 軸承內徑 d | 0.1969 |
| 軸承外徑 D | 0.748 |
| 開式軸承厚度 B | 0.2362 |
| 倒角半徑 rs(min) | 0.012 |
| 安裝尺寸 (mm) | |
| 止動環外徑 D2 | - |
| 止動環邊距 C2 | - |
| 軸承外圈內徑 Lo | 16.68 |
| 軸承內圈外徑 Li | 9.2 |
| 載荷(N) | |
| 基本動載荷 | 2614 |
| 基本靜載荷 | 1053 |
| 滾珠參數 | |
| 數量 Z | 7 |
| 直徑(mm) Dw | 3.5 |
| 其他參數 | |
| ISO/JIS 標準代號 | 635 |
微型軸承推薦
| EZO SSF699ZZ軸承 | 基本尺寸,內徑:9.00000mm,外徑:20.00000mm,厚度:6.00000mm。 |
| NSK SMR106-H-26T12ZZ1MC3 NS7L6軸承 | 基本尺寸,內徑:6.00000mm,外徑:10.00000mm,厚度:2.50000mm。 |
| EZO 6707-2RS SRL軸承 | 基本尺寸,內徑:35.00000mm,外徑:44.00000mm,厚度:5.00000mm。 |
| NSK 686AZZ1MC2EP5 E8SK5軸承 | 基本尺寸,內徑:6.00000mm,外徑:13.00000mm,厚度:3.50000mm。 |
| NMB 607DDSD72M3MTLY551軸承 | 基本尺寸,內徑:7.00000mm,外徑:19.00000mm,厚度:6.00000mm。 |
FAG軸承推薦
| FAG 60/530-M軸承 | FAG 60/530-M軸承,市場價:¥0.00元,當前庫存0套,添加時間:2023-12-18 11:33:01 |
| FAG SNV170-F-D軸承 | FAG SNV170-F-D軸承,市場價:¥2923.76元,當前庫存6套,添加時間:2023-08-22 13:23:39 |
| FAG S6301-2RSR-FD軸承 | FAG S6301-2RSR-FD軸承,市場價:¥150.27元,當前庫存17套,添加時間:2023-08-15 21:18:53 |
| FAG 16011-A-C3#N軸承 | FAG 16011-A-C3#N軸承,市場價:¥82.22元,當前庫存65套,添加時間:2023-08-17 10:26:40 |
| FAG 54208軸承 | FAG 54208軸承,市場價:¥701.12元,當前庫存10套,添加時間:2023-08-18 16:09:54 |
IKO軸承推薦
| IKO NA4852軸承 | 基本尺寸,內徑:260.00000mm,外徑:320.00000mm,厚度:60.00000mm。 |
| IKO BAM87軸承 | 基本尺寸,內徑:12.70000mm,外徑:17.46200mm,厚度:11.13000mm。 |
| IKO CF-SFU-16B軸承 | 基本尺寸,內徑:16.00000mm,外徑:35.00000mm,厚度:18.00000mm。 |
| IKO TA1819Z軸承 | 基本尺寸,內徑:18.00000mm,外徑:25.00000mm,厚度:19.00000mm。 |
| IKO BAM167軸承 | 基本尺寸,內徑:25.40000mm,外徑:31.75000mm,厚度:11.13000mm。 |

