IKO CFS6W軸承尺寸、參數與圖紙
| 基本尺寸 (mm) | |
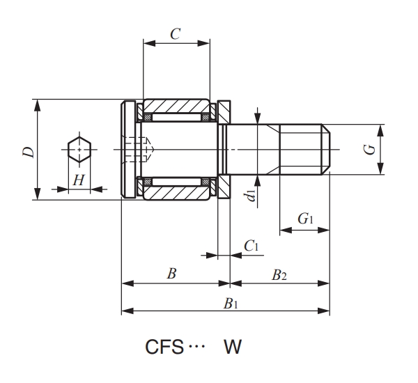
| 螺柱直徑 de | 6 |
| 外徑 D | 12 |
| 厚度 C | 7 |
| G | M6X1 |
| G1 | 6 |
| B | 10.5 |
| B1 | 22.5 |
| B2 | 12 |
| C1 | 1.2 |
| H | 2.5 |
| 安裝尺寸 (mm) | |
| fmin. | 11.6 |
| 重量(g) | |
| 13 | |
| 載荷(N) | |
| 動態基本額定載荷 | 2090 |
| 靜態基本額定載荷 | 2200 |
| 最大允許靜載荷 | 1920 |
| 其他參數 | |
| 極限擰緊力矩 N·cm | 268 |
IKO軸承推薦
| IKO TLA2512Z軸承 | 基本尺寸,內徑:25.00000mm,外徑:32.00000mm,厚度:12.00000mm。 |
| IKO TRI405930軸承 | 基本尺寸,內徑:40.00000mm,外徑:59.00000mm,厚度:30.00000mm。 |
| IKO CFE12-1BUUR軸承 | 基本尺寸,內徑:16.00000mm,外徑:32.00000mm,厚度:14.00000mm。 |
| IKO BA88ZOH軸承 | 基本尺寸,內徑:12.70000mm,外徑:17.46200mm,厚度:12.70000mm。 |
| IKO NAXI1425Z軸承 | 基本尺寸,內徑:14.00000mm,外徑:30.00000mm,厚度:25.00000mm。 |
TIMKEN軸承推薦
| TIMKEN 396/394軸承 | TIMKEN 396/394軸承,市場價:¥477.75元,當前庫存24套,添加時間:2023-09-15 09:37:22 |
| TIMKEN 3958/3927X軸承 | TIMKEN 3958/3927X軸承,市場價:¥521.76元,當前庫存12套,添加時間:2023-09-15 10:05:06 |
| TIMKEN HM907635/HM907614軸承 | TIMKEN HM907635/HM907614軸承,市場價:¥3753.65元,當前庫存2套,添加時間:2023-09-05 15:20:31 |
| TIMKEN 78250-907A3軸承 | TIMKEN 78250-907A3軸承,市場價:¥819.00元,當前庫存30套,添加時間:2023-09-11 11:54:40 |
| TIMKEN 25580/25522軸承 | TIMKEN 25580/25522軸承,市場價:¥215.15元,當前庫存70套,添加時間:2023-09-05 15:02:31 |
NSK軸承推薦
| NSK N1006MR1CC1P4 S軸承 | NSK N1006MR1CC1P4 S軸承,市場價:¥1137.15元,當前庫存3套,添加時間:2023-08-30 11:14:07 |
| NSK N1013RSTPCCG18P4Y軸承 | NSK N1013RSTPCCG18P4Y軸承,市場價:¥1417.50元,當前庫存1套,添加時間:2023-08-30 14:44:59 |
| NSK BSN3062DDUHP3軸承 | NSK BSN3062DDUHP3軸承,市場價:¥2424.69元,當前庫存6套,添加時間:2023-08-31 14:37:05 |
| NSK 65BER10XTSUELP3軸承 | NSK 65BER10XTSUELP3軸承,市場價:¥3255.00元,當前庫存1套,添加時間:2023-08-29 15:18:48 |
| NSK 7903CTRSUMP3軸承 | NSK 7903CTRSUMP3軸承,市場價:¥840.68元,當前庫存1套,添加時間:2023-08-28 20:33:08 |

