HRB 7217AC/TBTB/P4軸承尺寸、參數與圖紙
| 外形尺寸 (mm) | |
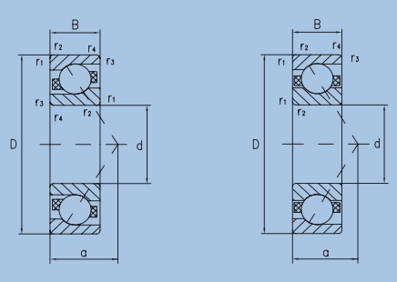
| 軸承內徑 d | 85 |
| 軸承外徑 D | 150 |
| 軸承厚度 B | 28 |
| 倒角半徑 r1,2.min | 2 |
| 倒角半徑 r3,4.min | 1 |
| 擋肩和倒角尺寸 (mm) | |
| 內圈擋肩 da.min | 95 |
| 外圈擋肩 Da.max | 140 |
| 外圈擋肩 Db.max | 144 |
| 倒角半徑 ra.max | 2 |
| 倒角半徑 rb.max | 1 |
| 極限轉速-單列(r/min) | |
| 脂潤滑 | 8000 |
| 油潤滑 | 13000 |
| 極限轉速-組合(r/min) | |
| 脂潤滑 | 7200 |
| 油潤滑 | 10000 |
| 額定載荷-單列(kN) | |
| 額定動載荷 Cr | 93 |
| 額定靜載荷 Cor | 80.3 |
| 額定載荷-組合(kN) | |
| 額定動載荷 Cr | 151 |
| 額定靜載荷 Cor | 161 |
| 其他參數 | |
| 作用點位置 a | 42 mm |
| 參考重量 | 1.84 kg |
| 相關產品推薦 | |||
| 型號 | 市場價 | 喬峰價 | 庫存 |
| 71917ACTA/P4DBA軸承 | ¥2525.9元 | 電話咨詢 | 109 |
| 7017CTA/P5TBTB軸承 | ¥644.8元 | 電話咨詢 | 83 |
| 7017CTA/P4DTA軸承 | ¥1229.8元 | 電話咨詢 | 1 |
| 7017ACTA/P5DBB軸承 | ¥349.7元 | 電話咨詢 | 208 |
| 7017ACTA/P4軸承 | ¥442元 | 電話咨詢 | 10 |
| 7017ACTA/P4DBB軸承 | ¥973.7元 | 電話咨詢 | 27 |
| 7217C/DFB/P5軸承 | ¥555.1元 | 電話咨詢 | 5 |
| 7217ACTA/P5TBTB軸承 | ¥633.1元 | 電話咨詢 | 81 |
角接觸球軸承推薦
| NSK 7204CTYNP5DBBC8軸承 | 基本尺寸,內徑:20.00000mm,外徑:47.00000mm,厚度:14.00000mm。 |
| KOYO 7316T1軸承 | 基本尺寸,內徑:80.00000mm,外徑:170.00000mm,厚度:78.00000mm。 |
| NSK 7306BEAMRSUCNB軸承 | 基本尺寸,內徑:30.00000mm,外徑:72.00000mm,厚度:19.00000mm。 |
| SKF 71828ACDGA/P2軸承 | 基本尺寸,內徑:140.00000mm,外徑:175.00000mm,厚度:18.00000mm。 |
| TIMKEN 5314WGBR軸承 | 基本尺寸,內徑:70.00000mm,外徑:150.00000mm,厚度:63.50000mm。 |
FAG軸承推薦
| FAG 7318-B-XL-MP-UA軸承 | FAG 7318-B-XL-MP-UA軸承,市場價:¥1487.54元,當前庫存54套,添加時間:2023-08-17 22:00:45 |
| FAG NU312-E-XL-TVP2#E軸承 | FAG NU312-E-XL-TVP2#E軸承,市場價:¥302.56元,當前庫存18套,添加時間:2023-08-18 21:51:04 |
| FAG B71903-C-2RSD-T-P4S-UL軸承 | FAG B71903-C-2RSD-T-P4S-UL軸承,市場價:¥620.32元,當前庫存16套,添加時間:2023-08-20 20:57:49 |
| FAG WS22214-E1-XL-2RSR-L055軸承 | FAG WS22214-E1-XL-2RSR-L055軸承,市場價:¥1234.22元,當前庫存2套,添加時間:2023-08-20 11:36:31 |
| FAG 3309-BD-XL-TVH-L285-C3軸承 | FAG 3309-BD-XL-TVH-L285-C3軸承,市場價:¥260.40元,當前庫存20套,添加時間:2023-08-17 20:14:38 |
IKO軸承推薦
| IKO SB130A軸承 | 基本尺寸,內徑:130.00000mm,外徑:200.00000mm,厚度:110.00000mm。 |
| IKO CF5FBUUR軸承 | 基本尺寸,內徑:5.00000mm,外徑:13.00000mm,厚度:9.00000mm。 |
| IKO TAF172516OG軸承 | 基本尺寸,內徑:17.00000mm,外徑:25.00000mm,厚度:16.00000mm。 |
| IKO BHA2212ZOH軸承 | 基本尺寸,內徑:34.92500mm,外徑:44.45000mm,厚度:19.05000mm。 |
| IKO NAS5022ZZNR軸承 | 基本尺寸,內徑:110.00000mm,外徑:170.00000mm,厚度:80.00000mm。 |

