GMN S607CTAUPDUL軸承尺寸、參數與圖紙
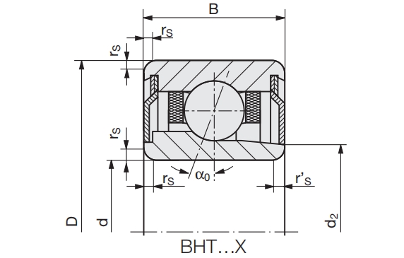
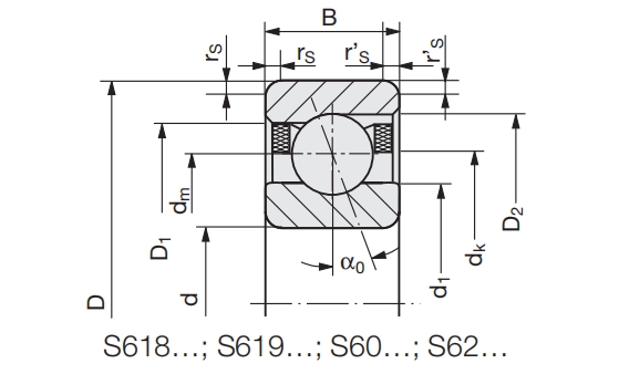
| 外形尺寸 (mm) | |
| 軸承內徑 d | 7 |
| 軸承外徑 D | 19 |
| 軸承厚度 B | 6 |
| 倒角半徑 rs.min | 0.3 |
| 倒角半徑,開口側 rs1.min | 0.3 |
| 滾珠參數 | |
| 數量 Z | 10 |
| 滾珠直徑 Dw | 3.175 mm |
| 橋臺和圓角尺寸 (mm) | |
| 內圈外徑 d1 | 10.7 |
| 內圈外徑,開口側 d2 | - |
| 保持架孔徑 dk | 13.5 |
| 節圓直徑 dm | 13 |
| 外圈內徑 D1 | 15.8 |
| 外圈內徑,開口側 D2 | 16.5 |
| SMI潤滑油槽寬度 a | - |
| 額定載荷(N) | |
| 基本動載荷 C | 2650 |
| 基本靜載荷 Co | 1150 |
| 參考重量(kg) | |
| 0.007 | |
| 輕預緊 (N) | |
| 預緊量 Fv | 12 |
| 提升力 Fa.max | 37 |
| 軸向剛度(配對軸承) Cax | 11/μm |
| 中預緊 (N) | |
| 預緊量 Fv | 40 |
| 提升力 Fa.max | 140 |
| 軸向剛度(配對軸承) Cax | 20/μm |
| 重預緊 (N) | |
| 預緊量 Fv | 80 |
| 提升力 Fa.max | 300 |
| 軸向剛度(配對軸承) Cax | 30/μm |
| 其他參數 | |
| 接觸角 α0 | 15° |
| 極限轉速 n | 125000/min |
| 最小彈簧預緊 Ff | 65 N |
| 相關產品推薦 | |||
| 型號 | 市場價 | 喬峰價 | 庫存 |
| 607.2Z軸承 | ¥12.43元 | 電話咨詢 | 70 |
角接觸球軸承推薦
| FAG B71948E.T.P4S.TUM軸承 | 基本尺寸,內徑:240.00000mm,外徑:320.00000mm,厚度:38.00000mm。 |
| TIMKEN 5314WGBR軸承 | 基本尺寸,內徑:70.00000mm,外徑:150.00000mm,厚度:63.50000mm。 |
| SKF S71912CB/HCP4ADGA軸承 | 基本尺寸,內徑:60.00000mm,外徑:85.00000mm,厚度:13.00000mm。 |
| KOYO 7213BWDB軸承 | 基本尺寸,內徑:65.00000mm,外徑:120.00000mm,厚度:46.00000mm。 |
| NSK 7306BEAMRSUCNB軸承 | 基本尺寸,內徑:30.00000mm,外徑:72.00000mm,厚度:19.00000mm。 |
FAG軸承推薦
| FAG 32956-XL軸承 | FAG 32956-XL軸承,市場價:¥6927.24元,當前庫存1套,添加時間:2023-08-19 21:49:17 |
| FAG 32056-X-XL-DF-A500-550軸承 | FAG 32056-X-XL-DF-A500-550軸承,市場價:¥20320.29元,當前庫存1套,添加時間:2023-08-19 14:21:37 |
| FAG 32013-X-H軸承 | FAG 32013-X-H軸承,市場價:¥87.15元,當前庫存51套,添加時間:2023-08-19 21:09:40 |
| FAG 6330-M-J20C-C3軸承 | FAG 6330-M-J20C-C3軸承,市場價:¥9450.00元,當前庫存6套,添加時間:2023-08-17 16:18:59 |
| FAG HCB71918-E-2RSD-T-P4S-UL軸承 | FAG HCB71918-E-2RSD-T-P4S-UL軸承,市場價:¥4620.00元,當前庫存32套,添加時間:2023-08-21 16:34:43 |
IKO軸承推薦
| IKO TLAM2512軸承 | 基本尺寸,內徑:25.00000mm,外徑:32.00000mm,厚度:12.00000mm。 |
| IKO RNA494軸承 | 基本尺寸,內徑:6.00000mm,外徑:12.00000mm,厚度:10.00000mm。 |
| IKO GTR486230軸承 | 基本尺寸,內徑:48.00000mm,外徑:62.00000mm,厚度:30.00000mm。 |
| IKO NBXI1425Z軸承 | 基本尺寸,內徑:14.00000mm,外徑:30.00000mm,厚度:25.00000mm。 |
| IKO TAM5540軸承 | 基本尺寸,內徑:55.00000mm,外徑:67.00000mm,厚度:40.00000mm。 |

